Grundig-CDP75-dm-维修说明书手册含电器原理图
GRUnDGSERVICE MANUALCD@Bt★32700#ServiceZusatzlich erforder-ServiceManualliche UnterlagenManualfur denKomplettservice:SicherheitSafetyAdditionally5流88器69required ServiceSach-N/Pa...
手册编号97:Icom_IC-F210_IC-F211_IC-F221_维修说明书手册_2003
iCOMSERVICEMANUALUHF TRANSCEIVER翻Icom Inc.
Akai-GX400D-tape-电气原理图手册
GX-400DLET红C AMP PC.501-5206LUTP且.Me象C50A0TW-50321度OSC.P.C BOARD TW-5033m图SGWi4024T西0T+29☑图好3f-图型a古店966市00®D四四四国回口RIGHT REC AWR PC BOARD TW-5205VOUME PC.BOURDT...
ADVANCE-SC401-manual操作与维护手册说明书手册含电器原理图
SC401,SCRUBTEC 344Instructions for useBedienungshandbuchInstructions d'utilisationInstructions for useGebruiksaanwijzing(€09/2017Deutsch(A)△画FrancaisEnglish9100002291Nederlands...
JLG600AJ高空作业平台升降机车操作与维修电器原理手册
An Oshkosh Corporation CompanyService and Maintenance ManualModel600AJPVC 200731217164April 20,2021-Rev CANS(∈AS/NZS
volvo-d13f-engine-quick-reference-guide维修维护手册
QUICKQUICKVOLVOREFERENCEVOLVOREFERENCEGUIDEEPA2007 D13F EngineGUIDEEPA2007 D13F EngineEPA2007 D13F EngineQUICK REFERENCE GUIDEPV72-QRG2-D13F06 ha Caup No当Aahe前9PV776-QRG7-DL 3FPr...
KenwoodTK-3170维修手册含电器原理图
UHF FM TRANSCEIVERTK-3170/3173KENWOODKenwood CorporationSERVICE MANUAL2005-3 PRINTED IN JAPANB51-8721-00(N)1202TK-3170K4TK-3170K/TK-3173KKnob (Selector)(K29-9340-03)Knob (Volume)(K...
panasonic_AGHVX200使用说明书手册
Panasonicasn alojagOperating InstructionsMemory Card Camera-RecorderModel NoAG-HVX200P2DVCPRODVCPRO5可Mini DNTSCDVCPROPanasoniceaa网zsKelds!aLEICADICOMARBefore operating this produ...
vertex-standard-威泰克斯Vertex_VX-150_user操作说明书手册-20260409中文版
Vertex StandardVHF FM TRANSCEIVER囂-150操作手册龙rtDownloaded by22RadioAmateur.EU老2Z八重洲无线电株式会社日本东京都目黑区中目黑4-8-8,邮编153-8644YAESU U.S.A.美国加利福尼亚州塞里托...
编号19:艾克幕ICOM-4008A-MK2维修手册
icOMSERVICEMANUALUHF FM TRANSCEIVERIC-4008ALPD FM TRANSCEIVERIC-4OO8MKΠIcom Inc.
Midland-Alan_39_D80_使用说明书手册_DE_ITA
ALAN 3940DUAM/FM PWR H/LUPDOWNLCHANNEL-IDLANDBEDIENUNGSANLEITUNG-OWNER'S MANUAL-MANUALE ISTRUZIONIALAN 39 D 80Downloaded from www.cbradio.nl
马兰士NR1501维修手册
ServiceNR1501 /N1B/N1SG/U1B/K1SG/FB/FNManualAV Surround Receivermarantz注意圹一七又在茄乙存前、乙)圹一七又又二ュ了儿卷必式方読y〈龙达。本機:、火災、感電、付扩存忙对寸石安全性在確...
Genie-6M-GS1932-Manual操作说明书手册-HTC
HCHIRETOOLS·PLANT·ACCESSGenie 6M Scissor Lift GS-1932MGenieOperator's ManualThird EditionThird Printingwith Maintenance InformationPart No.1000031GS'1530GS-1532GS-1930GS'1932=。...
沃尔沃Volvo-FM-Euro5电器原理图手册
Service ManualTrucksGroup 37Release01Wiring diagramFMCHID A698436-CHID B564590-CHID W100620-754005CHID CKD891518-https://6e3MoyeBw88956890VOLVO
Kenwood_BC-10_电器原理图
TH-55AT/EBC-10(COMPACT CHARGER)BC-10 EXTERNAL VIEWBC-10 PARTS LIST·:New PartsRef.No.NewParts No.DescriptionPartsA02.0828-08Case (Upper)K,M,M2A02.0629-08Case (Upper)X.T,WA02.0832.0...
MOTOGUZZI摩托古兹摩托车MSS-Engine-V85-E4-E5-E5-2019-_en-1维修操作说明书手册
Moto GuzZiWORKSHOP MANUAL2Q000383Engine V85 E4-E5-E5+
杰西博JCB-803-Compact-Excavator-维修用电器原理图
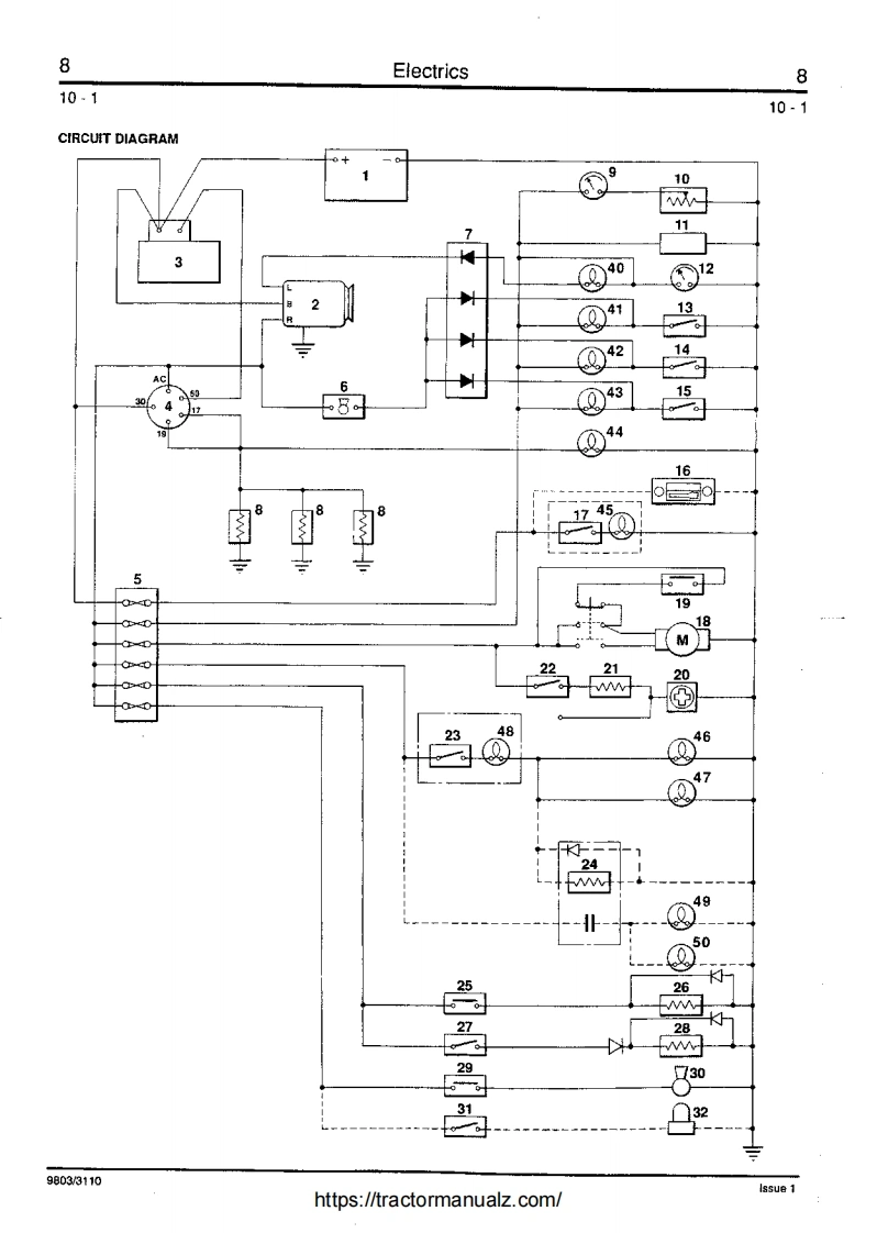
8Electrics810.110.1CIRCUIT DIAGRAM110☑711②40③21330@416519c021202348@?2449502628730329803/3110Issue 1https://tractormanualz.com/
编号48:艾克幕ICOM-IC-736_738维修手册
cOMSERVICEMANUALHF/50 MHz TRANSCEIVER1C-736HF TRANSCEIVER1C-738Icom Inc.
Cobra_200GTLDX_Service_Manual维修手册含电器原理图
200GTL ALIGNMENTREVISION:1.0BURKEALIGNMENTPROCEDUREMODEL:200GTLREVISION:1.2DATE:02/14/06PREPARED BY:BURKETotal Pages:6 pagesPage:1
哈曼卡顿Harman-Kardon-330-B-维修手册-Addendum
The Harman-KardonModel 330BAM/FM/Stereo FMSolid State ReceiverTechnical Manual AddendumThis addendum is to be used with all 330B models withsuffix“A”after serial number.harman/ka...
GENIE-s-40_45操作说明书手册
GenieOperator's ManualSecond EditionNinth Printingwith Maintenance InformationPart No.43645S'40S45from 832 to 7189
Yorkville-CR12-Power-Amp-mService-Manual维修服务手册说明书含电器原理图
YorkvllleSERVICE MANUALCR12WEB ACCESS:http://www.yorkville.comWORLD HEADQUARTERSCANADAUSAYorkville SoundYorkville Sound Inc.550 Grante Court4625 Womer Industial EstatePickering.Ont...
Kenwood_DM-81_电器原理图
X84-l040-00X73-135000TD2PHONES7000047QI:2$C125Q225C945解20常N703:2SK904:2$A719D1,2:1SS16D3:RD6,2E8N7 BIK00e0910cRCT0000马02 MOD3 MATT CHECKDM-81
MOTOGUZZI摩托古兹摩托车Stelvio-1200-8V—Stelvio-1200-NTX-My2011-ES-EN维修操作说明书手册
MOTO GUZZI DESEA AGRADECERLEpor haber elegido uno de sus productos.Hemos preparado este manual para permitirle apreciar todas sus cualidades.Le aconsejamos que lea todosu contenido...
Midland-CT3000-UK使用说明书手册
CT3000DUAL BAND VHF/UHF MOBILE TRANSCEIVERINSTRUCTION GUIDE102MIDLAND308A/B88MAINCT3000P4P2P5midlandeurope.comP3P6FUNCMIDLANDSPECIAL FEATURES25W3WOutputFlip function Extra loudPowe...
维智WSDA系列伺服驱动器用户手册(MECHATROLINK-Ⅱ总线通信型)-R9
WEIHONG维宏股份创业板:300508W与E维智A系列伺服驱动器用户手册(MECHATROLINK-II总线通信型)专业·专心·专注
GENIE吉尼-.-.62_40-.-.62_40-TRAX…-序列号范围_1曲臂吊高空作业平台操作说明书手册
GenieA TEREX BRAND操作手册序列号范围Z®.62/40Z®.62/40 TRAXTM带有维修信息原始说明的翻译Fourth EditionSecond PrintingPart No.1324020CSGT
Yorkville-LS720P-Service-Manual维修服务手册说明书含电器原理图
YorkvllleSERVICE MANUALMODEL TYPE:YS1055LS720PWEB ACCESS:http://www.yorkville.comWORLD HEADQUARTERSCANADAUSAYorkville SoundYorkville Sound Inc.550 Grante Court4625Witmer Industrial...
Kenwood_KC-43S_Manual用户使用操作说明书手册
了yブ梦少又《少乎村岁《十三少夕又《夕▣木MC-43SKENWOODKENWOOD株式培进乞户MC-43SKENWOOD CORPORATIONKENWOOD CORPORATION取极說明害本杜T192-9525束京氢八王子市石1町29873HAND MICROPHONEM...
松下DMC-FH2维修手册
ORDER NO.DSC1102026CEB26Service ManuaDigital CameraLUMIXModel No.DMC-FH2PDMC-FH2PCDMC-FH2PRDMC-FH2PUDMC-FH2GADMC-FH2GCDMC-FH2GDDMC-FH2GFDMC-FH2GHDMC-FH2GKDMC-FH2GNDMC-FH2GTDMC-FS16...
坦能清洗机洗地机nobles-speed-scrub-24-32-ss5-walk-behind-floor-scrubber-service-manual维修手册含电器原理图
NNOBLESSPEED SCRUB®7AUTOMATIC SCRUBBERFoam Scrubbing TechnologyThe Safe Scrubbing AlternativeQuick-Train ControlsSERVICE INFORMATION MANUAL9002377Rev.01(09-2006)www.nobles.com
艾克幕ICOM-ic-f14-version-anterior维修手册
icoMSERVICEMANUALVHF TRANSCEIVERIC-F14/F15/SPre-release version(Draft only)Icom Inc.
Baofeng_UV-82HP_使用说明书手册
Table of ContentsPart I.Getting started1Chapter 1.-Initial setup2Safety Information2Features and Functions4What's in the box5Assembly6Antenna6Belt clip7Battery7Charging and battery...
哈曼卡顿Harman-Kardon-AVR-120-维修手册
harman/kardonAVR120AV DOLBY DIGITAL RECEIVERSERVICE MANUALharman/kardon AVR 120器口回DK D。。CONTENTSESD WARNING....TECH TIP HKTT2003-01..................17LEAKAGE TESTING............
GENIE吉尼-S..2669RT-S..3369RT-S.-4069RT-序列号范围曲臂吊高空作业平台操作说明书手册
GenieA TEREX BRAND操作手册序列号范围GSTM-2669RTGSTM-3369RTGSTM-4069RT带有维修信息原始说明的翻译Fourth EditionThird PrintingPart No.1297192CSGT
广州谷戈EtherCAT总线车床系统补充说明
Goldge致于工控技术的研发与创新,持续为客户创造价值!EtherCAT总线车床系统补充说明总线式车削类系统规格表系统技类别980TPi980TP3i218TPi规格总线控制轴数23+1(总线主轴)4+1(总线主轴)脉冲控...
Kenwood_MC-44DM_DME_电器原理图
MC-44DM/44DMETM-241A/E(MULTI FUNCTION MICROPHONE WITH AUTOPATCH)MC-44DM/MC-44DME SCHEMATIC DIAGRAM(BLACK)(SHIELD)(WHITE)570⑥⑧②州(RED)CN2DWN《GREEN)六C15+BROWN)4.725V725V3.583.3K...
MOTOGUZZI摩托古兹摩托车V9-Roamer—V9-Bobber维修操作说明书手册
MOTO GUZZISERVICE STATION MANUAL2Q000193V9 Roamer-V9 Bobber
siemens西门子PME71.901Ax燃烧器控制器LME71.000Ax程序模块-基础文件-中文安装操作说明书手册
SIEMENS防w。PME7图示LME7图示PME71.901Ax燃烧器控制器LME71.000Ax程序模块用户文件应用:比调式、直接点火的鼓风燃烧器·采用3位步进调节器成气动空燃比控制下燃烧器模拟信号的集成PWM鼓风电机...
cobra_29_lx_用户使用操作说明书手册
How to Use Your Cobra 29 LXContentsFeaturesFeatures of This ProductThe CB Story.FCC Regulations,FCC Warnings Included AccessoriesSelectable 4-Color LCD DisplayControls Indicators.....
哈曼卡顿Harman-Kardon-AVR-247-230-维修手册
harman/kardonAVR247/230 Service Manualharman/kardonService ManualAVR247I2305 x 50W 7.1 CHANNEL A/V RECEIVER阳园DVD/C0AX1m吕mL0GIc77CHMU8°8060o6666harman/kardonCONTENTSESD WARNING....
GENIE吉尼-及维修信息-S-80-S85曲臂吊高空作业平台操作说明书手册
Genie操作手册Second EditionFifth Printing及维修信息Part No.43650CSS80S'85
sony索尼DSC-H2数码相机维修手册含电路图
DSC-H2SERVICE MANUALLEVEL 3US ModelVer.1.32006.10Canadian ModelRevision HistoryAEP ModelUK ModelHow to useEModelAcrobat ReaderAustralian ModelChinese ModelInternal memoryArgentina ...
Kenwood_NX-720C_维修维护电器原理图手册_2012
VHF DIGITAL TRANSCEIVER/VHF数字模拟双模车载对讲机NX-720KENWOODJVCKENWOOD CorporationSERVICE MANUAL/维修手册C version/C版本2012-11 PRINTED IN CHINAB53-7045-00(Y)l×四上9g旦上以9A0KB...
阿普利亚摩托车aprilia-dorsoduro-900-e4-eu-usa-2017-service-stati维修图纸手册
apriliaSERVICE STATION MANUAL2Q000336DORSODURO 900
siemens西门子QRB4.基础文件-中文安装操作说明书手册
SIEMENS7720QRB4QRB4x-XxXA,带法兰AGK42和钢板QRB4x-xxxxB,弹簧夹AGK43带堵头黄焰探测器QRB4...西门子燃烧器控制器的黄焰探测器,用于监控可见范围内的燃油火焰。QRB4在燃油燃烧器处于间歌运行...































-R9-f5d953c9fe-pdf-1.webp)













-99875142b9-pdf-1.webp)







