Akai-AMA202-int-维修说明书手册含电器原理图
AKAI SERVICE MANUALFor Service Manuals ContactMAURITRON TECHNICAL SERVICES8 Cherry Tree Rd,ChinnorOxon OX9 4QYTl01844-351694Fax001844-352554Email:-enquries@mauritron.oo.uk回围图回M...
Akai-APM77-tt-维修说明书手册含电器原理图
AKAI SERVICE MANUALAKAI回回回回罚回回回FULL AUTOMATIC PLAYERMODEL AP-M77
Kenwood_TK-3160_维修说明书手册
UHF FM TRANSCEIVERKENWOODTK-3160SERVICE MANUAL2003-8 PRINTED IN JAPANB51-8653-00(S)1314CONTENTSGENERAL......2SYSTEM SET-UP…2OPERATING FEATURES....3REALIGNMENT...4DISASSEMBLY FOR R...
手册编号181:Icom_IC-F610_IC-F620_IC-F621_使用说明书手册_2003
COMINSTRUCTION MANUALUHF TRANSCEIVER1C-F610(For the LTR®/PassPort version))Icom Inc.
杭州叉车NL_1-5t_A-SERIE_ONDERHOUDSHANDLEIDING操作与维修维护手册
Een SerieAserie 1.0t-5.0t Loodzuuraccu Geg balanceerde HeftruckAserie 1.0t-5.0t Lithiumaccu Geg balanceerde HeftruckSERVICEHANDLEIDING(€Originele InstructieHANGCHA GROEP CO.,LTD.S...
IC-M37-Instruction-manual操作说明书手册
INSTRUCTION MANUALVHF MARINE TRANSCEIVERIE M3ZECOM1=ME7This device complies with Part 15 ofthe FCC rules.Operation is subject tothe condition that this device does not鼢cause harmf...
ADVANCE-Advance_Reel-Cleaner_Rev-312_Parts说明书手册含电器原理图
Reel CleanerTPARTS LISTM0DEL56108050@Advance403 revised3/12F0RMN0.56042442
Hytera-PD402i-Digital-Portable-Radio-使用说明书手册
HyteraDIGITAL PORTABLE RADIOOWNER'S MANUAL
FT-847维修电器原理图手册
YAESUFT-847HF&V/UHF Band TransceiverTechnical SupplementVERTEX STANDARD CO.,LTD.4-8-8 Nakameguro,Meguro-Ku,Tokyo 153-8644,JapanVERTEX STANDARDCertos.CA90703,U.SAInternational Divis...
手册编号29:艾克幕ICOM-ID-51英文版高级说明书手册
icOMTo update the repeater list,click here!ADVANCED INSTRUCTIONSINTRODUCTION1ACCESSORY ATTACHMENT2USING A MICROSD CARD3PANEL DESCRIPTION4BATTERY CHARGINGVHF/UHF TRANSCEIVER5BASIC O...
Wouxun欧讯_KG-UV920R_user操作说明书手册
Thanks for buying the wouxun KG-UV920R transceiver.This transceiver Offers latest design,enhanced features,solid performances andeasy accessibility.We believe you will be pleased w...
Tennant_S3_Parts
TENNANTS3Manual Push SweeperBarredora manual de empujeBalayeuse autotractee manuelleVarredora de empurrar manual手推式扫地机手助yュ又才一《一Operator and Parts ManualENManual de fu...
松下DMC-F4维修手册
ORDER NO.DSC1002017CEB26Service ManualDigital CameraLUMIXModel No.DMC-F3P2DMC-F3PCDMC-F3PRDMC-F3PUDMC-F3EBDMC-F3EEDMC-F3EFDMC-F3EGDMC-F3EPDMC-F3GCDMC-F3GFDMC-F3GNDMC-F3GTDMC-F4EBDM...
坦能清洗机洗地机tennant-7400-rider-floor-scrubber-service-manual维修手册含电器原理图
TENNANT7400Service ManualMM428Rev.04(3-02)
Midland_13-509(Manual操作说明书手册)
MIDLANDVHF-FM 10 WATT 220 MHzMOBILE TRANSCEIVERS/PWRMODEL 13-509OWNER'S GUIDE
坦能清洗机洗地机tennant-t16-rider-floor-scrubber-service-manual维修手册含电器原理图
TENNANTT16Rider ScrubberService Information ManualaH2Foam Scrubbing TechnologyAn ORBIO TechnologyThe Safe Scrubbing AlternativeHygenid Fully Cleanable TanksES Extended Scrub System...
哈曼卡顿Harman-Kardon-AVR-51-维修手册
HAITAIHAITAI CAD TEAMHOOEL NAMEDESIGNBOA日D NAMEINSPECTION段置里口w/aSCHEMATICDSHEET NO.1/7DATEHEAD PHONE B'D400400g326FRONT B'D4001008300@00006可oo8础蟹酵群的STEEMINAL D450E540010...
罗兰Roland-AX-1-Service-Manual维修服务手册说明书含电器原理图
198知AX-1AX-1SERVICE NOTESFirst EditionDISASSEMBLY/分解方法TABLE OF CONTENTS目次PageSPECI月CATIONS-----:DISASSE/BLY44444441141=1m1:444:分解方法11111111414444444444…1BLOCK DLAGRAM....
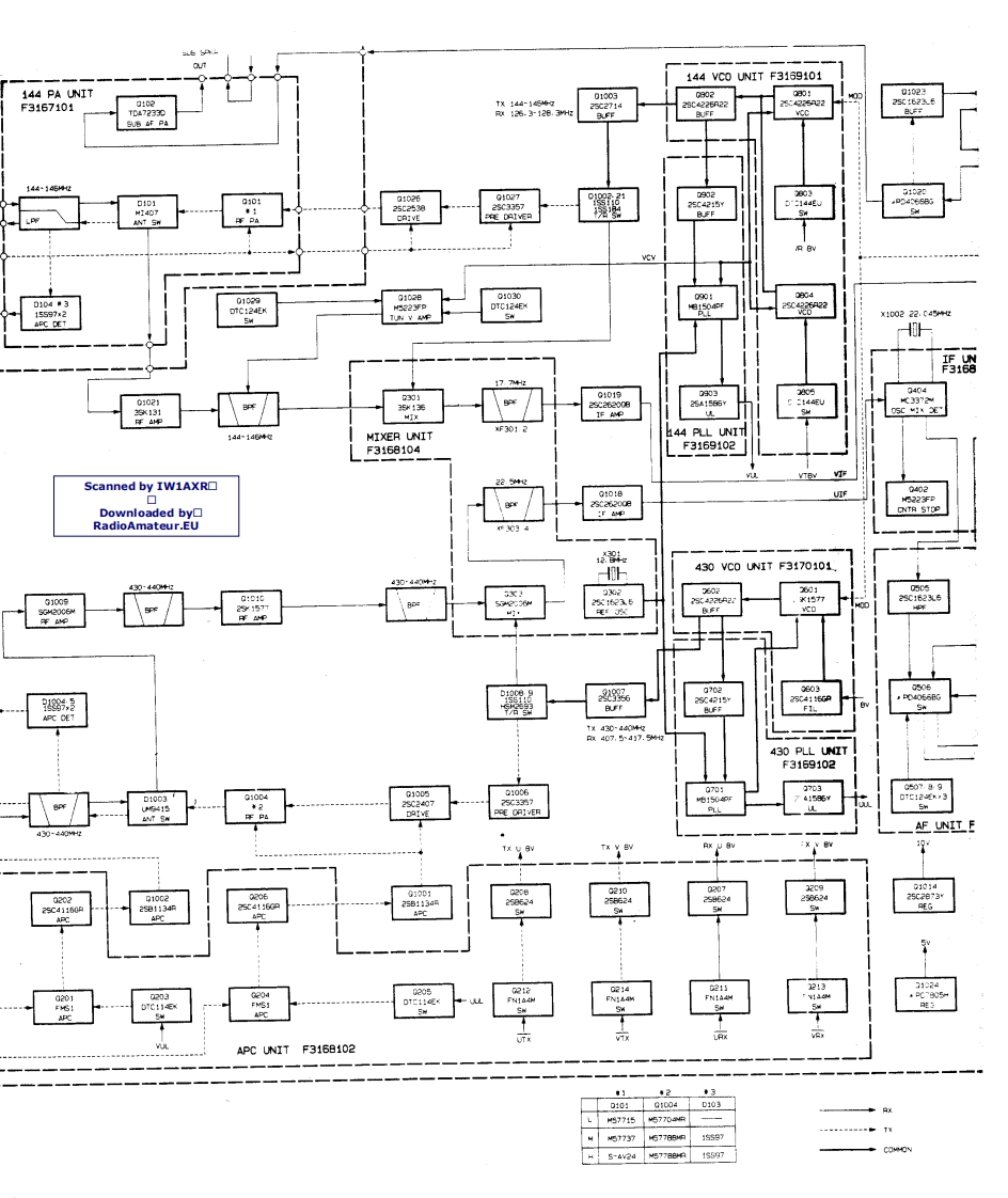
FT-5200_电器原理图_IW1AXR
144VC0 UNIT F3169101144 PA UNITD10030302010232516236F31671012C2714280422n2%BFEBLFFSUB AF PA144-145HG1027C3357p465EF DARE DAIVER1028010300804D10d301009155972DTC124EKDTC124EKSWx10022...
FT-991_参考电器原理图
MAIN Unit (Lot.1-2)Circuit DiagramMATN-UNITI1101-199Rlw村市中而材i村市MAIN-1F丁男】Techexical Su ppleme t
FTA-850L_OM
YAESUAIR BAND TRANSCEIVERFTA-850LYA四SUJBluetoothGPSOperating Manual个↓△m⊙?网uEwE4d网)233CO)(4I5IC6m雨)7I8I9I0○》
罗兰Roland-XP-50-Service-Manual维修服务手册说明书含电器原理图
Apr,1995XP-50×尸-5▣SERVICE NOTESSPECIFICATIONS/仕樣y》3JSIC W▣KSTATI▣JFirst EditionC0UN2GBEn4ngNI度话年D5系/于11夕-=时3动●银UVe用C球efr-卜南-11ltreDLtofgr垂MPQ线P4松r)后式属韩...
sony_d-e440-service-manual维修手册
D-E440/E441/E441SR/E443/E445/E446CK/E449CKSERVICE MANUALUS ModelD-E441/E445/E446CK/E449CKVer1.01999.02Canadian ModelD-E441/E445/E446CKDiscmanAEP ModelD-E440/E441/E441SR/E443/E445/E...
编号46:爱华Aiwa-ADR505-tape-维修图纸手册
S/M Code No.90-099 DATE OF ISSUE 12/1990-TAWAAD-F500AD-R505SERVIC旺MANUALSTEREO CASSETTE DECKBASIC TAPE MECHANISM:a-14·TYPE.H,E,K,Z(F500)H.U,C.E,K,Z (R505)AIWA Co..Ltd.Tokyo Japan...
Zastone_ZT-7500_使用说明书手册_2022
All Mode Full Band SDRTransceiverINSTRUCTION MANUAL3D Waterfall Spectrum⊙DiagramALL MODE DDC/DUC TRANSCEIVERBuilt-in CW Decode,FT8249H00gY5.032s0Encode and DecodeA/BBuilt-in WiFi ...
雅马哈Yamaha-DME32-Digital-Mixing-Engine-Service-Manual维修服务手册说明书含电器原理图
DIGITAL MIXING ENGINEDME 32SERVICE MANUAL■CONTENTSSPECIFICATIONS…3…PANEL LAYOUT…5…CIRCUIT BOARD LAYOUT....................................................DIMENTIONS…8…DISASS...
索尼STRDH130_维修手册含电器原理图
STR-DH130SERVICE MANUALUS ModelCanadian ModelVer.1.02012.01AEP ModelSpecificationsToneAUDIO POWERnSw击BAL0 TREBLE=Gain levelsSupplied accessoriesSPECIFICATIONS0dB).SWeighted networ...
sony_ta-f117r_sm维修电器原理图
TA-F117RSERVICE MANUALAEP ModelSPECIFICATIONSAmplifierHarmonic distortionLess than 0.05%at rated outputContinuous RMS power output(both channels drivenIntermodulation (IM)distortio...
英文-GSK983Ma连接手册(2012年4月第2版)
This user manual describes all proceedings conceming theoperations of this system in detail as much as possible.However,it isimpractical to give particular descriptions for all unn...
Denon-DVD2900-sacd-维修说明书手册含电器原理图
DENONFor U.S.A.,Canada,EuropeJapan modelVer.2SERVICE MANUALMODEL DVD-2900DVD AUDIO-VIDEO SUPER AUDIO CD PLAYER注意圹一匕又在苏乙存今前、乙)少一上又マ二1了儿ル左必蔬y〈龙。本機太、...
ic9100_使用说明书手册sve
iCOMINSTRUKTIONSBOKHF/VHF/UHF TRANSCEIVERIC-9100H3530000”rM592000Icom Inc.
JLG-E450AJ-E-Operations-Manual操作与维护保养说明书手册
GOperation and Safety ManualOriginal Instructions-Keep this manual with the machine at all times.Boom Lift Models450A450AJ5/N0300201991,5/N1300007279,S/NE300002833,&S/WB300003516to...
HarmanKardon-CDR20-cd-维修说明书手册含电器原理图
harman/kardonModel CDR20Dual Tray CD/CD-R/CD-RW Recorder/PlayerSERVICE MANUALharman/kardon CR 20i0i0F2-“0CONTENTSSERVICING PRECAUTIONS................2BULLETIN HK2001-04.............
JLG-SKYTRAK-llustrated-Parts-Manual-Service-and-Maintenance-Manual-Model-8042零部件选型说明书手册
SKYTRAKIllustrated Parts ManualService and Maintenance ManualModel804210042100548990187-003FEBRUARY 2000ANSI四HIS09001
ICOM艾可慕IC-R7000_user操作说明书手册
GcoMINSTRUCTION MANUALCOMMUNICATIONS RECEIVER?8i8988IC-R7000Icom Inc.
Linton_LT-6100_Plus_new操作说明书手册
PyKOBOCTBo nonb3oBaTena09987FH ONNEOISIDISLINTONST6io的P888882LOW 33cNVIMF⊙LT-6100 PLUS1
VX-600V操作说明书手册
Vertex StandardVX-600vVertex StandandOperating ManualVERTEX STANDARD CO.,LTD.4-8-8 Nakameguro,Meguro-Ku,Tokyo 153-8644,JapanVERTEX STANDARDUS Headquarters17210 Edwards Rd.,Cerritos...
广西玉柴重工Yuchai-YC6L310-50发动机柴油机零部件图册备件目录手册
玉柴机器YC DIESELYC6L310-50(LA20B)柴油机零件图册Parts Catalog of YC6L310-50(LA20B)Diesel Engine广西玉柴机器股份有限公司Guangxi Yuchai machinery Co.Ltd.2017年6月June,2017
使用说明书手册Invertec-275-TP
IM3136092021REV02INVERTEC 275TPMANUAL DE INSTRUCCIONESINVERTEC 275TPINVERTECLINCOLNELECTRICSPANISHLINCOLNELECTRICLincoln Electric Bester Sp.z o.o.ul.Jana lll Sobieskiego 19A,58-260...
艾可慕Icom_IC-W21AT-IC-W21ET(Manual操作说明书手册)20260331中文版
●双频段调频收发器C-W21ATC-W21ETH6.02本狼密莉舍CC规时前5想分离支,其铁用流洲见以下两个件:(传点备得商有害T其:阳片所示为配备可涛配件口I的CW2队,电医瓶本不所有所裸骨,Icom Inc.
icr100_使用说明书手册
●cOmINSTRUCTION MANUALCOMMUNICATIONS RECEIVER80at00IC-R1009IC-R10DIcom Inc.
建武Kenwood_TH-25-TH-45_Manual操作说明书手册
TH-25series/TH-45series144MHz,430/440MHz FM TRANSCEIVERINSTRUCTION MANUALKENWOODCPRINTED IN JAPAN B50-8260-00(W)(T)89/12111098765432188/1211109876543
ROLAND_U-20_维修手册电器原理图
JUNE 1989U-20AS-PCMKEYAOSERVICE NOTESTABLE OF CONTENTS目次PageFirst EditionEXPLOOED VIEW分解区2SPECIFICATIONS/仕樣KEYBOARD EXPLOCED VIEW键堂分解因34PARTS LIST1-yU又卜5WIRING7术下少...
JRC_JSS-2150_维修维护电器原理图手册
JSS-2150150W MF/HF RADIO EQUIPMENTSERVICE MANUALJRC apan Radio Co.,Itd
JRC_NRD-525_维修维护电器原理图手册
NRD-525GENERAL COVERAGE RECEIVERSERVICE MANUALJRC apan Radio Co.,ltd.for free byRadioAmateur.eu
UG_NX-5000_UG_B5A-0049-10操作说明书手册
KENWOODNX-5000 seriesUSER GUIDEGUIDE DE L'UTILISATEURGUIA DEL USUARIOKENWOODKENWOOD456e而0#JVCKENWOOD Corporation器B5A049-10N
MOTOTRBO_MessageBoard_UserManual操作说明书手册
www.myradio168.netMOTOTRBO短消息(数传)模块使用说明(VERSION:2.08)2021年1月1日最后更新文档编号16001

















-dda2105981-pdf-1.webp)














-24821314f2-pdf-1.webp)











20260331中文版-fdc95ea054-pdf-1.webp)







-96177d1f38-pdf-1.webp)
