

第1页 / 共27页

第2页 / 共27页

第3页 / 共27页

第4页 / 共27页

第5页 / 共27页

第6页 / 共27页

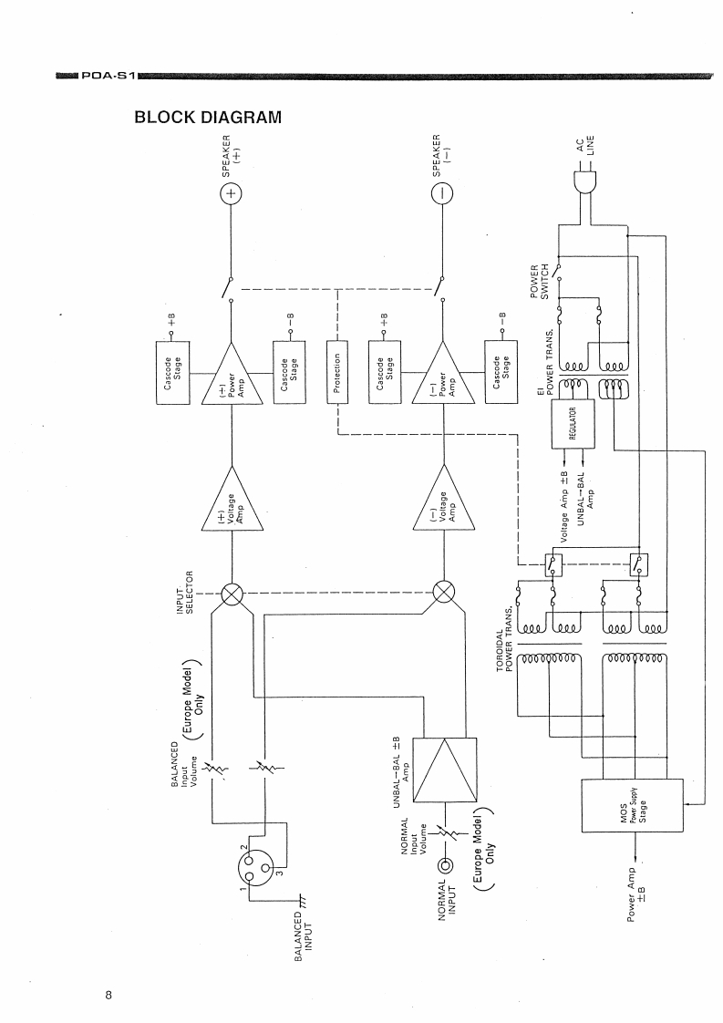
第7页 / 共27页

第8页 / 共27页

第9页 / 共27页

第10页 / 共27页
试读已结束,还剩17页,您可下载完整版后进行离线阅读
THE END
DENONHi-Fi ComponentSERVICE MANUALMODEL POA-S1MONAURAL POWER AMPLIFIER一TABLE OF CONTENTSOPERATING INSTRUCTIONS..................................................2-6SPECIFICATIONS>BLOCK DIAGRAM8DISASSEMBLYADJUSTMENT ...........................................................10-SEMICONDUCTORS.....................................................13PRINTED WIRING BOARD1U-2630D INPUT/BALANCE UNIT...............................................141U-2631D CASCADE UNIT....................................................1U-2632D POWER AMPLIFIER UNIT......161U-2633D POWER SUPPLY CONTROL UNIT17NOTE FOR PARTSLIST..............................18PRINTED WIRING BOARD PARTS LIST1U-2630D INPUT/BALANCE UNIT.............................................11U-2631D CASCADE UNIT.................................................191U-2632D POWER AMPLIFIER UNIT ........................................19,21U-2633D POWER SUPPLY CONTROL UNIT.................................20,21PARTS LIST OF EXPLODED VIEW ......PARTS LIST OF PACKING &ACCESSORIES........................................22EXPLODED VIEW ..............................................................WIRING DIAGRAM...................24SCHEMATIC DIAGRAM25-27SERVICE FLOW CHART29NIPPON COLUMBIA CO.,LTD.
请登录后查看评论内容