

第1页 / 共109页

第2页 / 共109页

第3页 / 共109页

第4页 / 共109页

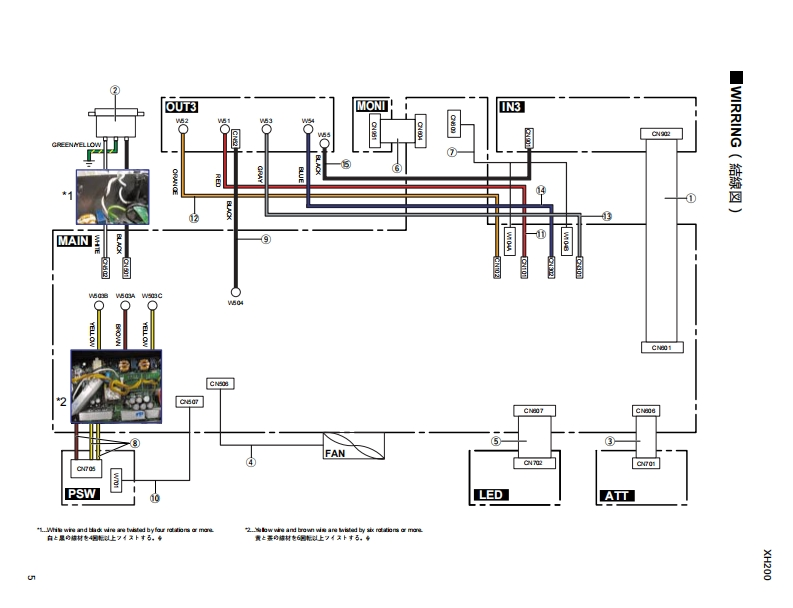
第5页 / 共109页

第6页 / 共109页

第7页 / 共109页

第8页 / 共109页

第9页 / 共109页

第10页 / 共109页
试读已结束,还剩99页,您可下载完整版后进行离线阅读
THE END
POWER AMPLIFIERXH200SERVICE MANUALYAMAHA■CONTENTS(目次)SPECIFICATIONS(然合仕樣)…3CIRCUIT BOARD LAYOUT(二y卜亻了7卜)....4W川RING(結線☒).…5DIMENSIONS(寸法☒)..6PANEL LAYOUT(パ礻儿y亻了7卜)........7DISASSEMBLY PROCEDURE(分解手順)..8ICBL0 CK DIAGRAM(ICブ口y2☒1…15CIRCUIT BOARDS(今一卜基板☒).16INSPECTIONS(検查)..…25/30TROUBLESHO0TING(卜ラブ儿>1一テy分)...35/58BLOCK DIAGRAM(ブ口Y夕ダ亻了分ラ4)CIRCUIT DIAGRAM(回路☒)PARTS LISTPA011807YAMAHA200511.176400HAMAMATSU,JAPANCopyright(c)Yamaha Corporation.All rights reserved.PDF'05.12
请登录后查看评论内容