

第1页 / 共40页

第2页 / 共40页

第3页 / 共40页

第4页 / 共40页

第5页 / 共40页

第6页 / 共40页

第7页 / 共40页

第8页 / 共40页

第9页 / 共40页

第10页 / 共40页
试读已结束,还剩30页,您可下载完整版后进行离线阅读
THE END
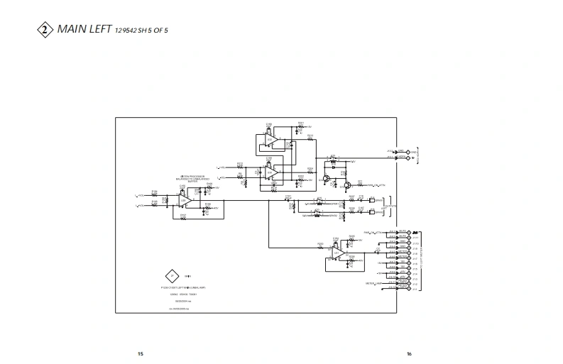
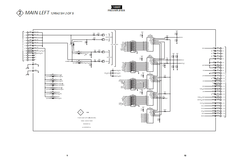
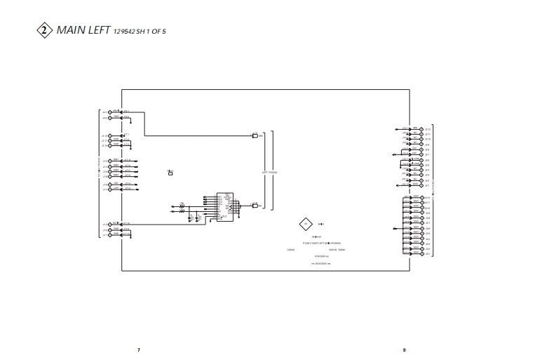
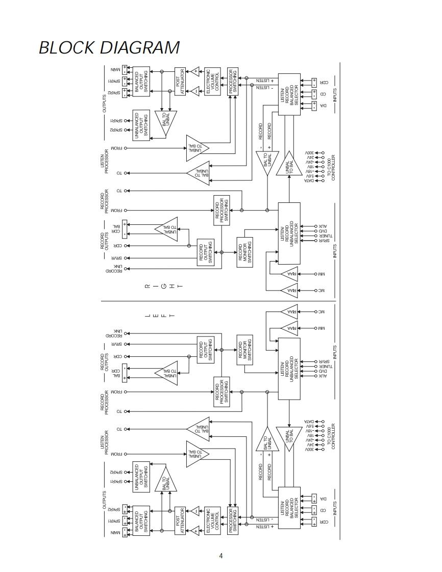
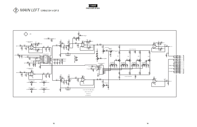
质hC1000TPREAMPLIFIERMclnfosh50504o200100C1000 TUBE PREAMPLIFIER601▣OUTPUTCONTENTSPerformance Speficat..O..0..2Balance /O Right Schematic and PCB ..............35-36Notes........2Balance Switching Left Schematic and PCB......37-38Rear PanelBalance Switching Right Schematic and PCB....39-40SectioncatiL..L..0.040.0.0.00.0.0.0.0.00.003Meter Schematic and PCB.........41-42Block Dia.O...6...0.6.0..0.0.0.0.0..6.0.0.4Headphone Schematic and PCB..........43.44InterconnectDiagram ..56Integrator Schematic and PCB..........45Main Left Scher atic and PCB718Parts List47-56Main Right Schematic and PCB........................19-30Exploded View and Parts List..........57-58Phono MC31·32Repacking Instructions ..........61Balance I/O Left Schematic and PCB33.34SERVICE MANUAL
请登录后查看评论内容