

第1页 / 共20页

第2页 / 共20页

第3页 / 共20页

第4页 / 共20页

第5页 / 共20页

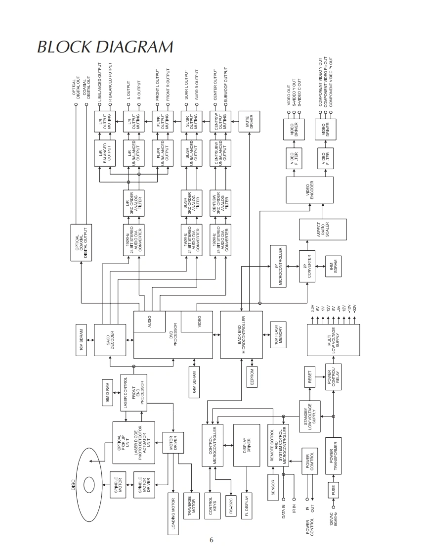
第6页 / 共20页

第7页 / 共20页

第8页 / 共20页

第9页 / 共20页

第10页 / 共20页
试读已结束,还剩10页,您可下载完整版后进行离线阅读
THE END
MVP861AUDIO/VIDEO PLAYERMclnfoshMVP861 AUDIO VIDEO PLAYER&架画票對CPINELOS STANDY7CN0:00:01=CONTENTSPerformance SpecificationsMain Schematic and PCB.9-16Notes………Safety Information..Video18Rear Panel..5Display Schematic and PCB19-22Section Location.5Parts List.21-28Block Diagram……6Exploded View and Parts List....29-30Interconnection Diagram ...........................7-8Repacking Instructions .............31SERVICE MANUAL
请登录后查看评论内容