

第1页 / 共28页

第2页 / 共28页

第3页 / 共28页

第4页 / 共28页

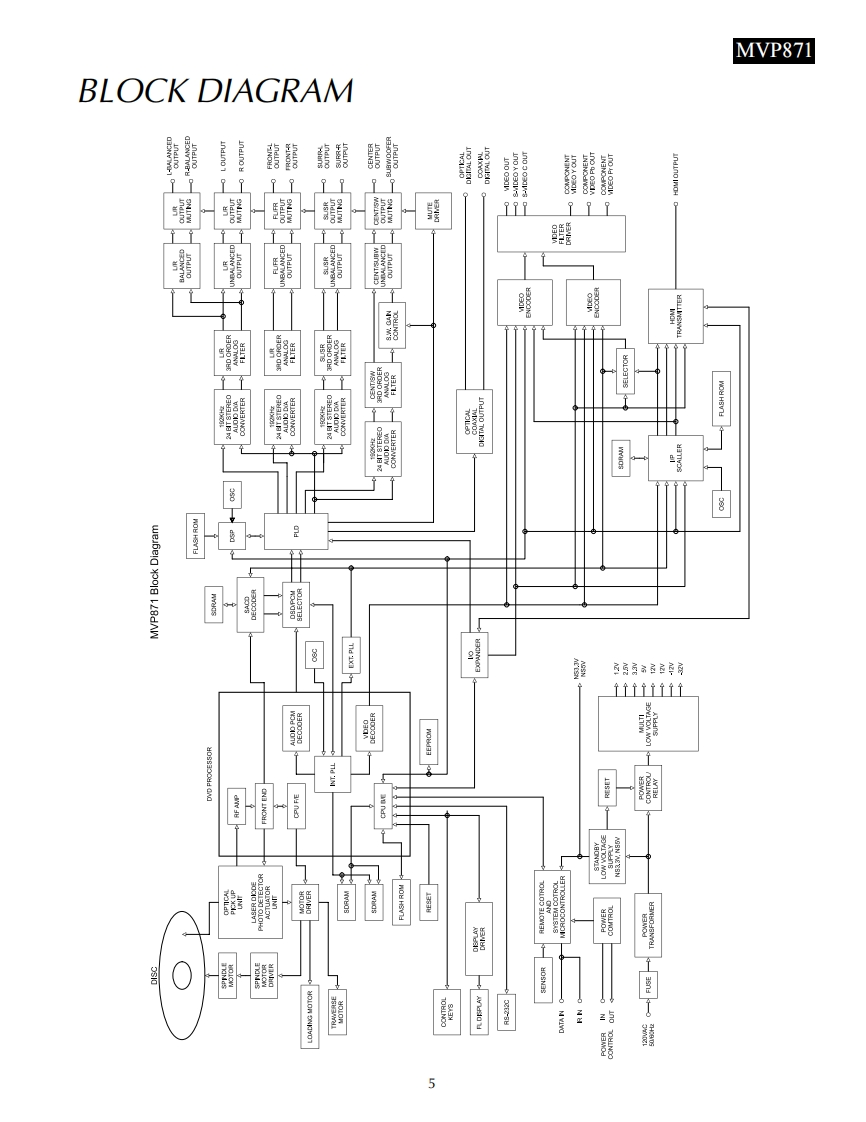
第5页 / 共28页

第6页 / 共28页

第7页 / 共28页

第8页 / 共28页

第9页 / 共28页

第10页 / 共28页
试读已结束,还剩18页,您可下载完整版后进行离线阅读
THE END
MVP871AUDIO VIDEO PLAYERSERIAL NO.XS1001 And AboveIclnfoshMVP871 AUDIO VIDEO PLAYERi“:ii架限●垫画8c▣HomI Orv网CONTENTSPerformance Specifications...Power Schematic and PCB.9.12Notes.2Primary Schematic and PCB..13-14Rear Panel....3Display Schematic and PCB.15.18Section Location.....3Audio Schematic and PCB...19-28Block Diagram......4Parts List.31-37Interconnection Diagram......................7-8Repacking Instruction......………39SERVICE MANUALSerial Number XS1001 And Above
请登录后查看评论内容