

第1页 / 共20页

第2页 / 共20页

第3页 / 共20页

第4页 / 共20页

第5页 / 共20页

第6页 / 共20页

第7页 / 共20页

第8页 / 共20页

第9页 / 共20页

第10页 / 共20页
试读已结束,还剩10页,您可下载完整版后进行离线阅读
THE END
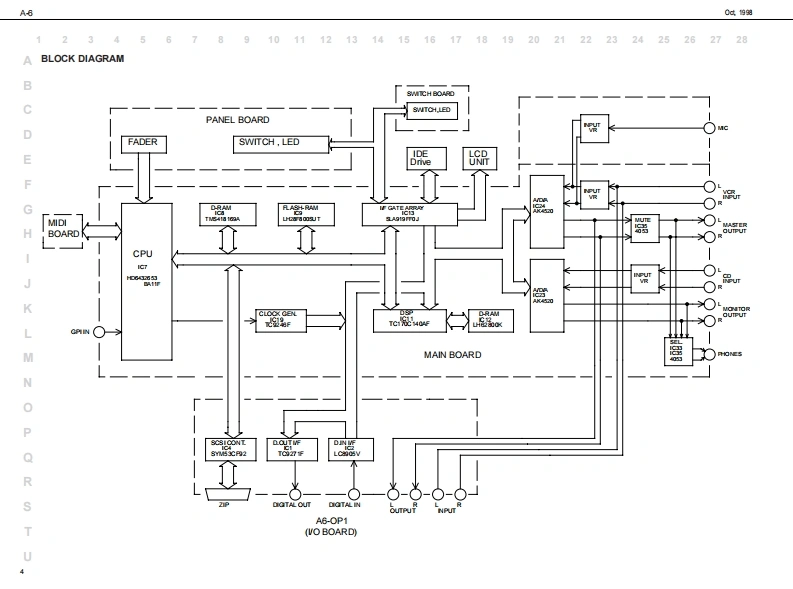
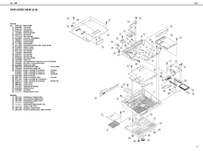
0似.A-6A-6SERVICE NOTESSPECIFICATIONSFirst Edition▣IGITAL MU儿TI AU▣I▣STATI▣NIssued by RJA告中甲悦典TABLE OF CONTENTSPageA.6SPECIA0ATOs============#===#==五吉古hLOCATION OF CONTROLS-.XP乳L00EDEW=========三响RTS LIST。==========w======================================5宝站运室型中SYSTEM SOFTWAREUPDATE..CIRCUIT DIAGRAM BOARD四A5-0P1SPEC月CATIONS=======PARTS UST.自CIRCUIT DIAGRAM BOARD--========19-20三二我Copyright1998 by ROLAND CORPORATIONRoland 17059934Printed in Japan (CF0c网1
请登录后查看评论内容