RH06A3-2060焊接机器人使用说明书(电气分册)2020年5月第1版定
举在RH06A3-2060焊接机器人使用说明书(电气分册)中,我们将尽力叙述各种与该机器人产品电气使用操作相关的事项。限于篇幅限制及产品具体使用等原因,不可能对产品中所有不必做和/或不能做的操...
爱华Aiwa-Z-L200-维修手册
☑Z-L200HAaI山SERVICESERVICE MANUALCOMPACT DISC STEREOBASIC TAPE MECHANISM:ZZM-2 PR1NMCASSETTE RECEIVERBASIC CD MECHANISM AZG-1 ZA3RN1DMSYSTEMCDSPEAKERREMOTECASSEIVERCONTROLLERZ-L2...
Denon-DRA435R-rec-维修说明书手册含电器原理图
1DENONHi-Fi AM-FM Stereo ReceiverSERVICE MANUALFor U.S.A.ModelODEL DRA·435RSerial No.25551 and afterODEL DRA·335RSerial No.38551 and afterAM-FM STEREO RECEIVERDRA-435RRC-129DRA-3...
JLG-660SJ-Operations-Manual操作与维护保养说明书手册
GOperation and Safety ManualKeep this manual with the machine at all times.Boom Lift Models600S600SJ660SJ1S09001ANSI CE3121205May3,2006
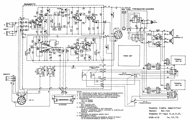
雅马哈Yamaha-RA100-Schematic电器原理图s
PA(NAC2771)AC OUTLETNaX 250w PSW ONA02482-NA02483]H平NPUTSPa3052A2002AN274147POWER ANPTREMOLOUNIT100-REMOTE2.TM人YE2.KTRENOLOUNITALLRESISTORS IN OHMS MWATT UNLESS OTHERWISE NOTED.0...
ICOM艾可慕IC-E208_user操作说明书手册
icOMINSTRUCTION MANUALVHF/UHF FM TRANSCEIVER1C-E208345820Icom Inc.
八重洲YAESU-FT-897D_user操作说明书手册-中文
YAESUHFNHF/UHF全模式收发机FT-897D操作手册02.176.81VERTEX STANDARD CO.,LTD.日本东京都目黑区中目黑4-8-8,邹编153-8644VERTEX STANDARD芙国总部美国加利福尼亚州赛普里所市沃克街10900号,...
MCINTOSH-MA6100_service-manual维修手册_b
MA6100Iclntosh SERVICE BULLETINS.B.No.1WIRING CHANGEMODEL:MA 6100 Preamp-AmplifierPURPOSE OF MODIFICATION:To correct wiring error in compensationand tone controls.WHAT UNITS ARE AF...
sony_d-135播放器维修电器原理图
D-135SERVICE MANUALE ModelTourist ModelDiscman西Model Name Using Similar MechanismD-232/235Optical Device NameKSM-331CAN(S)Optical Pick-Up NameKSS-331CSPECIFICATIONSCompact disc di...
VX-1700_service_manual维修电器原理图手册
Vertex StandardVERTEX STANDARD CO.,LTD.4-8-8 Nakameguro,Meguro-Ku,Tokyo 153-8644,JapanVERTEX STANDARDVX-1700 SeriestCypressC.AYAESU EUROPE B.V.HF Multi Mode Mobile RadioP.O.Box 755...
ICOM艾可慕IC-T21A_E_电器原理图
COMIC-T21A IC-T21EDownlosded byIcom Ina.RadicAmateur.EU幽Downloaded byRadioAmateur.EULOGIC UNITL2FUM如3F UNITiomncm
MC-50Mk2_维修手册电器原理图
W8.1991MC-50MkDMC5▣MKISERVICE NOTESMIC▣C▣MP▣SEHFirst EditionSPECIFICATIONS/仕禄+-+-+=11m1mtM2DDt4224D13M0别4t×10HN623两2五图TABLE OF CONTENTS目次PageAACA山p4ar.20ncSPECIFICATI...
ICOM艾可慕IC-Z1_serv维修手册含电器原理图
iCOMSERVICEMANUALDUAL BAND FM TRANSCEIVERIC-Z1AIC-Z1EDownloaded by▣Amateur Radio Directorywww.hamdirectory.infoIcom Inc.
HP-2000-3000-4500_维修手册电器原理图
SEP.1986Hp-2000/3000/4500HP-2000/3000/4500SERVICE NOTESFirst EditionSPECIFICATIONS7KEG000Power Cordumsson-.50w:100/11P44州队AeG-3000r4500T5w:2202404妇细49+X1B+X61HE.hP-001MPRAPHOAC...
sony_PMW-EX1_b使用说明书手册
SONY0XOCMEX00FULL AUTOPMW-EXSXSSONYopePMW-EX1PMW-EX3XDCAM EX CamcorderPMW-EX30XDCAM EX Recording Deckwww.sony.com/xdcamexXDOWEX
ICOM艾可慕IC-91A_AD_user操作说明书手册20260331中文版
COM使用说明书VHF/UHF FM收发机i91△VHF/UHF数字收发机ICOMIC-91ADi91AD本设备符合FCC规则第15部分的规定。使用须遵守以下两个条件:(1)本设备不得造成有害干扰;(2)本设备必须接受任何接收到的...
6866558D04-O_Motorola_professional_GP_series_including_300R1_Detailed_Service_Manual维修维护手册
MOTOROLAProfessional RadioGP SeriesDetailed Service Manual6866558D04-0
ROLAND-PG-10_维修手册电器原理图
May.1988PG-10SERVICE NOTESEXPLODED VIEW./分解☒PG-1▣First EditionCD245SPECIFICATIONSCURNENT CONSUMPTION200mA DC at 9先1HT中===10与1tba2纳hu14ep0DIMENSION828M▣14a46HMmm01516”g516...
KIRISUN科立讯GP700-SERVICE-MANUAL维修手册含电器原理图
aunProfessional wireless communication system solution supplierGP700SERVICE MANUALrsun1'2360.V211129Kirisun Communications Co.,Ltd.
建武TS-950SDX操作说明书手册中文版
高频收发机TS-950SDX使用说明书KENWOOD CORPORATIONKENWOODCP产于用本62正△-20 KM.EEN P.XMC)932111098765412192121110987
Pantum-M6700-M6800-M7100-M7200-Series-Spare-Parts-Manual零部件手册
M6700-M6800-M7100-M7200 Series Spare Parts ManualPANTUMWWWPANTUM.COMPantum M6700/M6800 SeriesPantum M7100/M7200 SeriesMonochrome Laser MFP
tr2600a_使用说明书手册
INTRODUCTIONCONTENTSYou are the owner of our newest product,theSPECIFICATIONS.…3TR-2600A Transceiver.Please read this instructionSection 1 PREPARATION FOR USE........................
SAKAI酒井R2H-2-ops-manual-supplement
N0.3498-31310-0A Read this handbook thoroughly and understand the whole informationcontained before trying to operate,inspect and service your machine!OPERATINGMAINTENANCEINSTRUCTI...
Anytone_AT-289P_使用说明书手册
ninyTone®IS0900114001finyToneAT-289PTWO-WAY RADIO67 WATERPROOFF©:(∈0678⑨RoHSINSTRUCTION MANUAL
ANYTONE自由通对讲机手台AT-D578UV-User-Manual-190930-1操作说明书手册
KnyToneAT-D578UVDigital DMR and AnalogUHF/VHF Two Way RadioOperating ManualP1l▣CTC 2nP4P2435.11250PSVFO BP3145.12500P6MenuListMENUEXIT
djf1-4_s1-4_使用说明书手册
DNALINCO411110VHF FM HANDHELD TRANSCEIVERDJ-F1T/E/HDJ-SIT/E DJ-FITD/EDDRY CELL PACK UNIT BATTERIES NOT INCLUDEDUHF FM HANDHELD TRANSCEIVERDJ-F4T/E/HALINCO ELECTRONICS INC.438 Amapo...
Denon-TU-1800DAB-维修手册
DENONFor U.K.modelSERVICE MANUALVer.1MODEL TU-1800DABAM-FM STEREO/DAB TUNER注意廿一七又在方乙存前:、乙)廿一七又又二1了儿在必寸方蔬
IC-M504A_Manual操作说明书手册
COMINSTRUCTION MANUALVHF MARINE TRANSCEIVERICOMVHF MARINE IC-M504C-M504A25wUSTAG6:16Loca1 CALLINGCBB:电aDUAL四回n网VOL80LENTERIcom Inc.
ESAB-powermax_1250操作与维修手册
BBeneHne3nekmpoMa2HumHa coeMecmuMocmbO6opyAoBaHne Hyperterm CKoHCTpynpoBaHo B CooTBeTCTBMN co cTaHnapTOM EN 50199.n OCTWKeHna 3nekTpoMarHTHON COBMeCTNMOCTN,o6opyoBaHne cnenyeT ycTa...
Wouxun欧讯_KG-UVD1_serv维修手册含电器原理图
QUANZHOU WOUXUN ELECTRONICS CO..LTDModel:KG-UVDIService ManualModel:KG-UVD1Version:KG-UVD1-0905-V1QUANZHOU WOUXUN ELECTRONICS CO.,LTDVersion:KG-UVD1-0905-VIPage 1 of 43for free byR...
KENWOOD–TH-21-维修用说明书手册
10.00FKENWOODSERVICE MANUALTH-21A/AT/EBT-2,DC-21,EB-2,PB-21SC-8/8T.SMC-30,TU-62m FM HAND-HELD TRANSCEIVERCONTENTSCIRCUIT DESCRIPTION……2PACKlNG.......................................
TENNANT-T600EE操作与维修手册含电器原理图
TENNANTT600 EEWalk-Behind Floor ScrubberParts Manual(S/N10000000-20000000)Hygenic Fully Cleanable Recovery TankTennantTrue PartsInsta-FitTM AdapterNorth America International马吗90...
KG-UVD1E_Manual操作说明书手册
Thanks for buying the wouxun transceiver.This transceiver offers latest design,multi-functionality,stableperformance and easy operation.We believe you will bepleased with the high ...
Boss_ME-50_Multi-Effects_Service_Manual维修服务手册含电器原理图
Feb.2003ME-50ME-50SERVICE NOTESIssued by RJAGUITAR MULTIPLE EFFECTSTABLE OF CONTENTSSPECIFICATIONS.......RESTORING THE FACTORY SETTINGS.............13LOCATION OF CONTROLS.....4TEST...
Boss_SE-70_Super_Effects_Processor_Service_Manual维修服务手册含电器原理图
Jun 1993SE-70▣B▣SSSERVICE NOTESSPECIFICATIONS/仕樣5E-70SUPER EFFECTSPROCESSORFirst Edition号y岁.追了为武1the eng11,卜…=7黄倦才--·竹yブ95)TABLE OF CONTENTS目次Page…4物们yG3时nI...
Genie-GR-20-Operators-manual操作与维护保养说明书手册
GonieA TEREX COMPANYOperator's ManualGR-12ANSI/CSANorth AmericaSouth AmericaGR-15AsiaGR-20AUSAustraliawithMaintenanceInformationFourth EditionSecond PrintingPart No.133069
编号53:艾克幕ICOM-IC-751A维修手册
HF ALL BAND TRANSCEIVERGENERAL COVERAGE RECEIVER1二-751ASERVICE MANUALICOMICOMINCORPORATED1-6-19.Kamikuratsukuri,Hirano-ku,Osaka 547.JapanPhone:(06)793-5301Telex:ICOM TR J63649ICOM...
GENIE吉尼-序列号范围-.-.62_40-从6215A-101到6216A-1086-从6216N-1087到6216N-2999-从Z6216D-101到Z6216D-136-从6216M-101到616M-399-从Z62M-400-到1500-从-Z62D-150-从Z62H-3000曲臂吊高空作业平台操作说明书手册
GenieA TEREX BRAND操作手册序列号范围Z®.62/40从Z6215A-101到Z6216A1086从Z6216N-1087到Z6216N2999从Z6216D-101到Z6216D-136从Z6216M-101到Z6216M-399从Z62M-400到1500从Z62D-150从Z62H3000带...
cobra_75_wx_st_用户使用操作说明书手册
Operating instructions for yourSCobra75WXSTCOMPACT REMOTE MOUNTCB RADIO WITHSCobraSOUNDTRACK∈RSYSTEM'Cuts Noise Coming In...Strengthens Signals Going Out'COBRA ELECTRONICS CORPORA...
GENIE吉尼-序列号范围—80–85-S8008-8000之后曲臂吊高空作业平台操作说明书手册
GonieA TEREX COMPANY操作手册序列号范围S-80ANSI/CSAS8008-8000之后North AmericaSouth AmericaS-85AsiaAUSAustralia及修信息Sixth EditionSecond PrintingPart No.133070CS
Kenwood_R-599_CC-69A_user操作说明书手册
KENWOODCC-69A6m CRYSTALCONTROLLED CONVERTERR-599A INSTALLATIONINSTRUCTIONSManufactured byTRIO ELECTRONICS,INC.,TOKYO,JAPANH国E国图国a国国s用周3B1.INSTALLATIONPrior to installation,...
KTM-450-SX-F-XC-F-驾驶与维护保养手册-RUS-2022
READY■PyKOBOCTBO nonb3OBATE 2022TO RACE450 SX-F450 XC-F450 SX-F FACTORY EDITIONApT.Ne 3214642EN3214642enKK18.11.2022
siemens西门子VGD2…VGD4…燃气组合阀-基础文件(一)-中文安装操作说明书手册
SIEMENS7631VGD20VGD40/VGD41燃气组合阀VGD2~VGD4~等级A的燃气组合阀用于安装在燃气阀组装置中符合EN161的安全切断阀,与SKPx5连接适用于人川类的气体与SKPx5连接的燃气组合阀慢开快关常闭直通...
GTXproB_setup_EN_ver5操作说明书手册
brotherPlease be sure to read this manual before using this productKeep this manual in a safe place for future use.Table of contentsPlease be sure to read 'SAFETY INSTRUCTIONS'befo...
罗兰Roland-JC-120–JC-160-(79-4)-Jazz-Chorus-Service-Manual维修服务手册说明书含电器原理图
JC-120/JC-120AR-,JC-160PART COMMON TO JC-120,JC-120A R&P and JC-160SERVICE NOTESZ型道tnL西2至H02m81JG第ce rather的eing rhoe in0由由ta4A,APPLICABLE TO FOLLOWING SERIAL NUMBERSPotent...
ft-7900r_sm维修手册含电器原理图
YAESUVERTEX STANDARD CO.,LTD.4-8-8 Nakameguro,Meguro-Ku,Tokyo 153-8644,JapanDual Band FM TransceiverVERTEX STANDARDUS Headquarters10900 Walker Street,Cypress,CA90630,U.S.A.YAESU UK...
bizhub-658e-558e-458e-368e-308e-快速操作说明书手册
KONICA MINOLTAbizhub 658e/558e458e/368e/308eQUICK GUIDEGiving Shape to ldeas
Ricoh-pro-C9100-series-操作说明书手册
ProC9100/C9110User GuideWhat You Can Do with This Machine1Getting Started2Web Image Monitor3Adding Paper and Toner4Troubleshooting5Information for This Machine6For information not ...



2020年5月第1版定-4d473d8665-pdf-1.webp)











































-中文安装操作说明书手册-9cf82b00cf-pdf-1.webp)

-Jazz-Chorus-Service-Manual维修服务手册说明书含电器原理图-d7b87b65da-pdf-1.webp)



