罗兰Roland_G-707_Synth_Guitar_Service_Manual维修服务手册含电器原理图
NOV.1984G707G-7▣7SERVICE NOTESPARTS LISTFirst EditionPICKUPHEAD22305610Divided22283334Peg22383612Husbucking22L33509String CuidePHOTO:SILVER22153101String Guide Post229a55422153529...
罗兰Roland_G-202_Guitar_Service_Manual维修服务手册含电器原理图
G202SERVICE NOTESPegPG-111(2228331500)String guide(2213350900)Rod adjust nut(2215352700)Strap buttonnickel(2228331520)PickguardN-116(2212311600SwitchHumbucking pickupDM-20B(1313952...
罗兰Roland_Cube_15-30_电器原理图
0ct.2003CUBE-15/CUBE-30DB2155ADDITIONALSERVICE NOTESCUB30Second editionIssued by RJACHANGE INFORMATIONWe can supply the spare parts mounted on PWB board.Please refer to following i...
罗兰Roland-XV-5080-Expansion-Module-Service-Manual维修服务手册说明书含电器原理图
XV-5080JUNL 2000SPECIFICATIONSXV-5▣B▣SERVICE NOTESXV.5080 128 voice sound modubOVCICES S.EXPANSION/SAMPLE PLAYBACKFirst EditionGM Level 2 systom Comp atibleIssued by R.JA●P的●C...
罗兰Roland-XV-5050-Expansion-Module-Service-Manual维修服务手册说明书含电器原理图
Dec.2001XV-5050SERVICE NOTESG4 VOICES 2x EXPANSIONIssued by RJATABLE OF CONTENTSSPECIFICATIO八NS2CIRCUIT BOARD(MAIN).......20LOCATION OF CONTROLS PARTS LIST.......4CIRCUIT DIAGRAM ...
罗兰Roland-XV-3080-Expansion-Module-Service-Manual维修服务手册说明书含电器原理图
XV-3060A2000SERVICE NOTESSPECIFICATIONS主在仕檬XVB▣B▣XV.3080 128 voice sound modubW-3你2盘术术又+竹方少卡+毛乡1一儿First EditionGM Level 2 systom Comp atible28VCICEs 6x EXPANSION...
罗兰Roland-XV-2020-Expansion-Module-Service-Manual维修服务手册说明书含电器原理图
Jul.2002XV-2020XV己口已▣SERVICE NOTES2x SRX EXPANSIONIssued by RJATABLE OF CONTENTSSPECIFICATIONS.....BLOCK DIAGRAM..16LOCATION OF CONTROLS...........2CIRCUIT BOARD.18LOCATION OF ...
罗兰Roland-XP-60-Service-Manual维修服务手册说明书含电器原理图
Apr.1998XP-60X尸-石口SERVICE NOTESFirst EditionUSIC WORKSTATI▣NIssued by RJATABLE OF CONTENTSPageGENERAL VIEW1SPECIFICATIONS5205500.555..2PANEL LAYOUT.00EXPLODED VIEWPARTS LIST5KE...
罗兰Roland-XP-50-Service-Manual维修服务手册说明书含电器原理图
Apr,1995XP-50×尸-5▣SERVICE NOTESSPECIFICATIONS/仕樣y》3JSIC W▣KSTATI▣JFirst EditionC0UN2GBEn4ngNI度话年D5系/于11夕-=时3动●银UVe用C球efr-卜南-11ltreDLtofgr垂MPQ线P4松r)后式属韩...
罗兰Roland-VX-55-Powered-Mixer-Service-Manual维修服务手册说明书含电器原理图
VX-55o800OiOOO层X-雪写a a0265:里SERVICE NOTES
罗兰Roland-VX-120-Powered-Mixer-Service-Manual维修服务手册说明书含电器原理图
JL1197BX-120SPECIFICATIONS EFFECT BLOCK DIAGRAMVX-120UTPVTSERVICE NOTES120w〔6w+6W)inte8-sbe1ad山…22Y,&-6d0160 (80N+80V)into 4-shm lauda.................18V.4-心mLETP1nek(Ster0》-...
罗兰Roland-VS-880EX-Digital-Studio-Service-Manual维修服务手册说明书含电器原理图
全具的自VS-880EXVS-880EX SERVICE NOTESSPECIFICATIONSV■a区0 M tote M NFirst EditionDIGTAL STUDIO WORKSTATIONIssued by RJA,中ehs6 phpad BAA sm.Ea OA非.TABLE OF CONTENTSPageBSPEC月CT...
罗兰Roland-VS-840–840S-Digital-Studio-Service-Manual维修服务手册说明书含电器原理图
他.塑VS-840V840SVS-B4▣/B4▣sSERVICE NOTESSPECIFICATIONSG WORKSTATIONFirst EditionIssued by RJA出年TABLE OF CONTENTSPage高点脑温出花学云中以0 CK DIAGRAM================密wDENTIFYIN...
罗兰Roland-VS-2480-Digital-Studio-Service-Manual维修服务手册说明书含电器原理图
Jun.2001VS240Vs2AB▣SERVICE NOTESSPECIFICATIONSV8-2480:24T,24位9关t8elne0 gtl SudicnFirst EditionWarks lticn,TrdaIssued by RJAV-Trada384(1VTada per ech Track)'STee风eTABLE OF CONT...
罗兰Roland-VS-2400-CD-Digital-Studio-Service-Manual维修服务手册说明书含电器原理图
Jan.2003V5-2400CDSERVICE NOTES24Tn/日5kHz/24bitIssued by RJAIGITAL STUDIO WORKSTATIONTABLE OF CONTENTCIRCUIT DIAGRAM (MAIN 4/8).40LOCATION OF CONTROLS PARTS LISTCIRCUIT DIAGRAM (MA...
罗兰Roland-VS-1824–1824-CD-Digital-Studio-Service-Manual维修服务手册说明书含电器原理图
VS.182W1824CDNo.2001VS-1日24/1日24C▣SERVICE NOTESSPECIFICATIONSFirst EditionV818241824CD:24BIT DIGITAL STUDIO WORKSTATIONIssued by RJA24 bit Digital Studio WorkstationTrackaTABLE ...
罗兰Roland-VS-1680-Digital-Studio-Service-Manual维修服务手册说明书含电器原理图
全A到VS-1680Vs-168▣SERVICE NOTESSPECIFICATIONSFirst Edition404丝C绿国坐sm24BIT DGTAL STUOIO WORKSTATIONIssued by RJATacia:TraciaTABLE OF CONTENTSPageLOCATION OF OONTROLS.Pad年通0k...
罗兰Roland-VP-9000-VariPhrase-Processor-Service-Manual维修服务手册说明书含电器原理图
VP9000Feb.2000V口-g▣▣▣SERVICE NOTESSPECIFICATIONSVP0000:VarPhease processorVARIPHRASE P7口CEsS▣7First EditionERCT0TI径L,R)Issued by RJABo4+108m●P白●0 ufpu Impe山ncw1o名Bdmoed...
罗兰Roland-VP-70-Voice-Processor-Service-Manual维修服务手册说明书含电器原理图
UL.1987VP.70P-7回SERVICE NOTESFirst EditionSPECIFICATIONS455S5SUNI113292901391稀点和川HLUn47013000114424712247e52+1t■dcwe-00r00E-1088rB2011-41#12Q中9可可可可p20H -30KHeS/N Rasada...
罗兰Roland-VP-550-Service-Manual维修服务手册说明书含电器原理图
Mar.2006VP-550SERVICE NOTESVOCAL ENSEMBLE KEYBOARDIssued by RJATable of ContentsSpecifications......02Keyboard Circuit Board......28Location of Controls..4Keyboard Circuit Diagram....
罗兰Roland-VP-330-Service-Manual维修服务手册说明书含电器原理图
00T25,1980VP-330VP-330 SERVICE NOTESSecond EdittionAPPLICABLE SERIAL NUMBERS UNITSFLH16 SECTION:901200-or MOUNTING FLH16 'C'VERSION的lENTIRETY:961450⊙2D90BB52-608FBCIFICATIONBwww....
罗兰Roland-VK-1-Service-Manual维修服务手册说明书含电器原理图
VK-1 SERVICE NOTESSPECIFICATIONSTUNE RANGE:±30 centsCHORUS-VIBRATO RATE:O.3-8 HzOUTPU四:L=-24dB;M=-12dB;H=0 dBPOWER CONSUMPTION:20 WattsDIMENSIONS:1130(w)x148(h)x448(d)mmWEIGHT:...
罗兰Roland-VG-8EX-V-Guitar-System-Service-Manual维修服务手册说明书含电器原理图
山(的aVG-8EXVG-8EXSERVICE NOTESSPECIFICATIONSV-GUITAR SYSTEMFirst Edition:1Patches0PxsetP atchs,64 User P atchesIssued by RJAMamory Ci0M-52写Sybar Sdtup:1付s:制PdeTABLE OF CONTENT...
罗兰Roland-VA-76-Service-Manual维修服务手册说明书含电器原理图
M里,2001VA-76VA-76SERVICE NOTESSpecificationsFirst editionW~ARRANGER KEY日▣AA▣Issued by RESknob,inob,M-FX knob (Vut-efect contrd)TABLE OF CONTENTSPagLOCAON OFCOTROS红L巴知EM0n⊙...
罗兰Roland-VA-7-Service-Manual维修服务手册说明书含电器原理图
%.2000VA7VA-7SERVICE NOTESSpecificationseyboard l key,wynthed ar adion,velod ty-arllv,AteriouchFirst editionW-ARRANGE7KEY日▣A▣Issued by RESKeboardA.comp口tance kno达Fkna边Nul afc...
罗兰Roland-VA-3-Service-Manual维修服务手册说明书含电器原理图
am,2001VA-3VA-日SERVICE NOTESSpecificationsFirst editionKeybaard:61 leyt,yriheairer acion wlockyaen iveW,ARRANGE7KEY日▣A▣Conta c TerrpoData dal,Dear Catroles BenderModulion Leves...
罗兰Roland-V-Synth-Service-Manual维修服务手册说明书含电器原理图
Mar.2003V-SYNTHVSunthSERVICE NOTESIssued by RJASPECIFICATIONS.....CIRCUIT BOARD(MAIN)......37LOCATION OF CONTROLS PARTS LIST......2CIRCUIT DIAGRAM(MIAN 1)..39LOCATION OF CONTROLS.....
罗兰Roland-U-20-Service-Manual维修服务手册说明书含电器原理图
JUNE 1989U-202M和SERVICE NOTESTABLE OF CONTENTS目次PageFirst EditionEXPLOOED VEW分解区SPECIFICATIONS/仕特KEYBOARD EXPLODED VIEW键量分解回绿4PARTS LIST-y又卜WRING7下少岁6-95:翰m满6...
罗兰Roland-U-20-Owners-Manual操作说明书手册
RolandRS-PCM KEYB▣AR▣L己▣OWNER'S MANUALRoland凵-己☐a道尚过白色尚尚白白古百古古马古否西画画盖a尚色白白55古马55古否马
罗兰Roland-TR707维修手册
1n-u1l1n121TR-707727 SERVICE NOTESFirst EditionSPECIFICATIONSMamory Capacity64 Rhythm Patterrs (16 x 4 GrouplTraek4(1 to 4:continous Maximme5ur=9的816 step38to250Rear PanolMaster O...
罗兰Roland-TR606维修手册
GNDNJM2904AN69124000000QuadComparatorOUT PUT.☒OUT PUT利■DaOUTPUTI包00a9u0vGNDMC14001BCP4Quad 2-Input NOR Gate+GND14n口q02日+9VHD14584BDHex Schmitt Trigger70U4-+-qVINTC4011BPuPC 4...
罗兰Roland-TR-77-Rhythm-Machine-Service-Manual维修服务手册说明书含电器原理图
ELECTRONIC MUSICAL INSTRUMENTROLAND RHYTHM INSTRUMENT交hythm77THE 7th EDITIONPrinted in Japan '76.Nov.Roland
罗兰Roland-TR-707–TR-727-Rhythm-Composer-Service-Manual维修服务手册说明书含电器原理图
TR-707727 SERVICE NOTES7801-4001344137川First EditionTK354124703SPECIFICATIONS巴9g9gppRoland4日th Patterre15:4时4(1 4 dontinuost Maodram maam9601to 16 Itrpermeooure小3®20Muner Oue...
罗兰Roland-TR-626-Rhythm-Composer-Service-Manual维修服务手册说明书含电器原理图
SEP.1987TR-626T己-G己SERVICE NO正First EditionSPECIFICATIONS日这mG200,春「,六1GM1n:6D00m45.n4号1物3语fmna背43-240数gneATgI里0月风0b时T网Sp时QIdbrsPome Saardeo DC dry coll YM-20 G ...
罗兰Roland-TR-606-Rhythm-Composer-Service-Manual维修服务手册说明书含电器原理图
GNDNJM2904AN6912QuadComparator☐8VecOUTPUT2团DGOUTPUT1[2OUTUutuu20门7Vozv③GNDqV3门6Vin-2MC14001BCP☐5Vin+2Quad 2-Input NOR Gate+GND14npq02日+9VHD14584Bo81Hex SSchmitt TriggerR岛-9...
罗兰Roland-TR-505-Rhythm-Composer-Service-Manual维修服务手册说明书含电器原理图
JUN.1986T7-505TR-50SSERVICE NOTESFirst EditionSPECIFICATIONSMemory Capacity48 Preset Rhythm Patterns(Pattern Groups A,B and C,each 16 patterns)48 User's Programmable Rhythm Pattern...
罗兰Roland-TD-8-Percussion-Sound-Module-Service-Manual维修服务手册说明书含电器原理图
TD-8S0p.1999TD-8SERVICE NOTESSpecifications主本仕樣First EditionTD-8 Percussion SoundModuleTD-:内一为y多3之·竹方之F·毛梦1一PERCUSSION SOUND MODULEIssued by RJAconb5oC00f通M0Sywm[...
罗兰Roland-TD-6-Percussion-Sound-Module-Service-Manual维修服务手册说明书含电器原理图
May.2001TD-6TD-6SERVICE NOTESSPECIFICATIONS主套仕横TD6:i-方y3>·专夕F·毛梦1-儿gM2PERCUSSION SOUND MODULEFirst EditionMIDI System)宁4耕Issued by RJA.Maoirum Palyphorry●最大的免音6...
罗兰Roland-TB303维修手册
Feb.19,1982TB-303TB-303 SERVICE NOTES=nnaM242N2*490First Edition44满24019弹SPECIFICATIONSe N-123 48012000-PATTEAN MEMORY CAPACITYCONNECTIONS64:8 (PATTEANx 2 [PATT.SECTION)x 4IPATT....
罗兰Roland-TB-303-Bass-Line-Service-Manual维修服务手册说明书含电器原理图
Feb.19,1982TB-303TB-303 SERVICE NOTESFirst Edition04ny4wN4742公f20uSPECIFICATIONST#n#e94-4Y2346912500PATTERN MEMORY CAPACITYCONNECTIONS64:8 IPATTEANI x 2 IPATT.SECTIONI x 4Output:I...
罗兰Roland-SVC-350-Vocoder-Service-Manual维修服务手册说明书含电器原理图
SVC-350 SERVICE NOTESMC用EEW6=44×15NSPECINCATIONSROLAND VOCCCER Meds SvG5091《1-156】10761117WINPUTSCONTROLSNPUT LEV惠CICATORSMIC LEVEL CONTROL20/2a07{-544Eet-14a2=)m5GNSTHUMENT L...
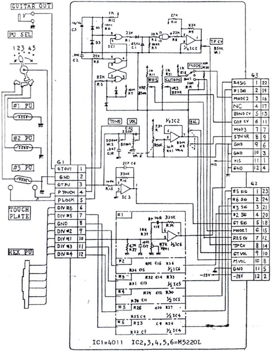
罗兰Roland-STK-1-Guitar-Synth-Schematic电器原理图
GUITAR OUT]q/H22kcsPU SELlok nw22KD34TA4点lokPc了12】45/%1ct859K时22Kgi k10图A02122K53RESwl o49622850K-156219MODE2316#1 PUNC417BEND CY13%1c2丛COF CY672MoD372P可STNVR89GNDnn96.047GN...
罗兰Roland-SRV-3030–3030D-Digital-Reverb-Service-Manual维修服务手册说明书含电器原理图
Ma,199的SRM.303030300sV3O3O/3口3口口SERVICE NOTESSPECIFICATIONS/主在仕棣24IT▣IGITAL REVE7aSRV-3030SRV-30300:24BT DCITAL REVERBFirst EditionW-3030岁-边3四:24Tyy泰,9一.AD Cenversi...
罗兰Roland-SRA-804-Power-Amp-Service-Manual维修服务手册说明书含电器原理图
MARCH 1992SRA-804S月A-日▣4SERVICE NOTES4CHANNEL POWER AMPLIFIERFirst EditionOVERVIEW根要peroring in a wide variety of applicatcra.第4②多日的7-了¥TT¥,TABLE OF CONTENTS目次Page...
罗兰Roland-SRA-5000-Power-Amp-Service-Manual维修服务手册说明书含电器原理图
0t13]SRA-5000SRA-5000 SERVICE NOTESFirst Edition2 CHANNEL POWER AMPLIFIERSPECIFICATION5/仕樣ERRATA SUPPLEMENT is attached at the end of the page.25WA2stt0参0线20e-20时地,Q1%crw3sT...
罗兰Roland-SRA-260–540–800-Power-Amp-Service-Manual维修服务手册说明书含电器原理图
Mar,1997SRA-260/540/800SA·260/540/800SERVICE NOTESFirst EditionIssued by RJATABLE OF CONTENTS目次PageSPECIFICATIONS·又Ny夕…2、3LOCATION OF CONTROLS·パ礻儿配置☒.3EXPLODED VIEW...
罗兰Roland-SPD-S-Sampling-Pad-Service-Manual维修服务手册说明书含电器原理图
Apr.2003SPD-SS尸口SERVICE NOTESIssued by RJASAMPLING PADTABLE OF CONTENTSSPECIFICATIONS..2INITIALIZATION PROCEDURE......16LOCATION OF CONTROLS.4.FORMATTING A COMPACTFLASH CARD........
罗兰Roland-SPD-20-Percussion-Pad-Service-Manual维修服务手册说明书含电器原理图
g1线SPD-20S尸口-己口SERVICE NOTESSPECIFICATIONSFirst Edition一EcNT▣TAL PERCUSSIC▣NPA▣Issued by RJAoTABLE OF CONTENTSPageSPEC月CATIONS=========由线LOCATION OF CONTROLS..-EXPLODED...
罗兰Roland-SPA-240-Power-Amp-Service-Manual维修服务手册说明书含电器原理图
SPA-240SERVICE NOTESIMPROVEMENTS COMPONENTS CHANGESSecond EditionPROTECTION CIRCUITSSPECIFICATIONSThis issue makes the first editiom obsolete.The protection circuits incorporated i...





















































