罗兰Roland-MA-20D-Powered-Studio-Monitors-Service-Manual维修服务手册说明书含电器原理图
Apr.2003MA-20DMA-20DSERVICE NOTESIssued by RJADIGITAL STEREO MICRO MONITORTABLE OF CONTENTSSPECIFICATIONS..........2LOCATION OF LONTROLS...3LOCATION OF CONTROLS PARTS LIST............
罗兰Roland-MA-15-Powered-Monitor-Service-Manual维修服务手册说明书含电器原理图
JUNE25,1981mA-15)E▣SSMA-15 SERVICE N0T正SFirst EditionSPECIFICATIONSOutput:15W RMSPower consumption:22WWeight:3.1kgDimensions:300(w)x167(H)x162(D)mm6.831b811.86.66.4inPotsBVH6PA36...
罗兰Roland-M-400-Live-Mixer-Service-Manual维修服务手册说明书含电器原理图
Now.2007M-400VMixerSERVICE NOTESM-400Issued by RJALIVE MIXING CONSOLE驾与266666666只oo666666666666口Copyright 2008 Roland CorporationAll rights reserved.No part of this publication...
罗兰Roland-M-1000-Digital-Mixer-Service-Manual维修服务手册说明书含电器原理图
Nov.2002M-1000M-1▣▣▣SERVICE NOTES24bit/96kHz 56bit Internal ProcessingIssued by RJAI▣CH▣IGITAL LINE MIXERTABLE OF CONTENTSSPECIFICATIONS......2TEST MODE0.12LOCATION OF CONTROL...
罗兰Roland-LPK-1-Guitar-Synth-Schematic电器原理图
R82R83D71D万10M10MR90R80c74VIBGUITAR OUT新41/16R97DEPTH27R86R2222×222×D709C73R 85二,47h6R12650P■SEc77RESTCUTOFFMODE SELA)41.00R76R77M0候IIKIKMODEVR0-0VR 1010KG TONEMOL▣BALANCEG...
罗兰Roland-KR117M-PE-Digital-Piano-Service-Manual维修服务手册说明书含电器原理图
Apr.2006KR117M-PESERVICE NOTESKR11/M-PEIssued by RJADIGITAL INTELLIGENT PIANOCopyright 2006 ROLAND CORPORATIONAll rights reserved.No part of this publication may be reproduced in a...
罗兰Roland-KM-60-Mixer-Service-Manual维修服务手册说明书含电器原理图
mixerKm-60SERVICE NOTESOO©OOO3▣SSKm-603GRolandPrinted in Japan
罗兰Roland-KC-500-Keyboard-Amp-Service-Manual维修服务手册说明书含电器原理图
Pe酸.1W6KG-500KC-500SPECIFICATIONS/仕模SERVICE NOTESCared Pwmtr0年/度生力-Oea国guL/题司A为KSTEREO MIXINGFirst Edition8ea国Cpn/置出代KEYBOARD AMPLIFIERIssued by RJA08n-075二5TABLE O...
罗兰Roland-KC-350UC–550UC-(2003)-Keyboard-Amp-Service-Manual维修服务手册说明书含电器原理图
June.2003KC-550UC/KC-350UCKC-550UC/KC-350UCSERVICE NOTESIssued by RJASPECIFICATIONS.....KC-550 CIRCUIT DIAGRAM(1/4).....24LOCATION OF CONTROLS...............3KC-550 CIRCUIT DIAGRAM...
罗兰Roland-KC-350–550-Keyboard-Amp-Service-Manual维修服务手册说明书含电器原理图
Aug.2005KC-550Kc-350KC-550SERVICE NOTESIssued by RJAKC-350CAUTIONARY NOTES2PARTS LIST(KC-350)....16SPECIFICATIONS..........2BLOCKDIAGRAM..20LOCATION OF CONTROLSCIRCUIT BOARD (SHEET...
罗兰Roland-KC-150-Keyboard-Amp-Service-Manual维修服务手册说明书含电器原理图
AUg.2005Kc-150KC-150SERVICE NOTESIssued by RJA4-CH MIXING KEYBOARD AMPLIFIERCAUTIONARY NOTES.......2sPECTFICATIONS.LOCATION OF CONTROLS.......3LOCATION OF CONTROLS PARTS LIST3EXPLO...
罗兰Roland-KC-100-Keyboard-Amp-Service-Manual维修服务手册说明书含电器原理图
De第7KC-100KC-▣▣SERVICE NOTESSPECIFICATIONSFirst EditionG-004CH MIXINGade情gOu年dIssued by RJASpeker:808hKEYB▣AR▣AMPLIFIE7⊙nann1且Ry的-0dBmthru -20dBmChatndl 1 Phone Type:-60d...
罗兰Roland-KC-100-Amplifier
De第7KC-100KC-1▣▣SERVICE NOTESSPECIFICATIONSFirst EditionC-1004CH MIXING白ade情g0u标d:或加:808aKEYBOARD AMPLIFIERIssued by RJA⊙anm1且奥y的-50dBmthru -20dBmhatnd 1 Phone Ty作9:-5...
罗兰Roland-JX-3P–PG-200-Service-Manual维修服务手册说明书含电器原理图
JX-3P(PG-200)SERVICE NOTESKey Transpone battonIFat Section 00-31First Edition⑦4 e button11 Grovo A buttonSPECIFICATIONSJX-3PPC-200Keybcard:Dimtniisrs①PITCH BENDESequetce Sect a在...
罗兰Roland-JX-305-Service-Manual维修服务手册说明书含电器原理图
JX-305sep.1998JX-305SERVICE NOTESSPECIFICATIONSGROOVESYNTHFirst EditionJX-305:GROOVESYNTHIssued by RJAwTABLE OF CONTENTSPageSpedficalasePand layoutPand LayoitPurLhteli on-dn1打s3fs...
罗兰Roland-JX-10-Service-Manual维修服务手册说明书含电器原理图
AUG.1986JX-10SUPER JXJX-10SERVICE NOTESFirst EditionSPECIFICATIONSnt起时:花笔国461U话x44机13014▣回向回司回回古画a■同daHd到TaCornection Cord 2Verar Co用1W:0MCC x1Mamery Carridpe ...
罗兰Roland-JX-1-Service-Manual维修服务手册说明书含电器原理图
JAN.1991JX-1×-1SERVICE NOTESSPECIFICATIONS/仕樣First EditionTone'PERFORMANCE SYNTHESIZER器.学+TABLE OF CONTENTS目次Page1151-712 (units)·SPECIFICATIONS仕极1111111行1卡111行11行111...
罗兰Roland-JW-50-Service-Manual维修服务手册说明书含电器原理图
SEP.1992JW-50V-s▣SERVICE NOTESSPECIFICATIONS/仕楼USIC W▣KSTATI▣Ns苹ergg【5DIWD5 ouRcE SECTON音N1[8 ECUENCER8 ECTION/-y梦图】最修真化正提表品追加情银加制与生寸。TABLE OF CONTENTS...
罗兰Roland-JV-90-Service-Manual维修服务手册说明书含电器原理图
D4e1993JV-90UV▣SERVICE NOTESEXPANDABLE SYNTHESZERFirst EditionTABLE OF CONTENTS目次PageSPECIFICATIONS/仕樣SPECIFICAT刀C8m,,nnan:壮相aaa441M-0:B年andable Syrthin/工夕天梦ブ标,乡士...
罗兰Roland-JV-880-Module-Service-Manual维修服务手册说明书含电器原理图
5el1931JV-80V-BB▣SERVICE NOTESFirst EditionMULTI TIMBRAL SYNTHESIZERM▣▣ULE设桥学edeg◆TABLE OF CONTENTS目次PageSPECIFICATIONS/仕横5ECIF1 CATION5-------====--·仕样===…””===1,...
罗兰Roland-JV-80-Service-Manual维修服务手册说明书含电器原理图
an.1932JV-80V-B▣SERVICE NOTESMULTI TIMBRAL SYNTHESIZERFirst EditionERRATA&SUPPLEMENT is attached进the end of the page.专最终页配正规表&追加情鞭多门生寸,TABLE OF CONTENTS目次PageS...
罗兰Roland-JV-35–JV-50-Service-Manual维修服务手册说明书含电器原理图
Feb.1994JV-5035JV5▣/日5SERVICE NOTESSPECIFICATION/仕樣EXPANDABLE SYNTHESIZERFirst Edition乘的●441-8:11M8n×00●新4内一一一相可南8林g和的语0¥I线=3:利TABLE OF CONTENTS目次Page事=...
罗兰Roland-JV-1080-Service-Manual维修服务手册说明书含电器原理图
0at1994W.1090V-1▣B▣SERVICE NOTESSPECIFICATIONS/仕横First Edition的AYr家fx九SYNTHESIZER MOOULENarber ofpuns/-02 Characverl甲hodg制y/装,交91H量到1parts-l ythmn SetnERRATA SPPLEMEN...
罗兰Roland-JV-1010-Module-Service-Manual维修服务手册说明书含电器原理图
J-1010Feb.1999J-1▣1▣SERVICE NOTESSPECIFICATIONS主套仕樣First Edition8400:44习·乡》电4-·里3-k1@sa于a毫】Issued by RJA,专Nun鲜edPH4年化数14116skea0到化0世va·化事】TABLE OF CONTE...
罗兰Roland-JV-1000-Service-Manual维修服务手册说明书含电器原理图
JLN 1903J-1000JV-1▣▣▣SERVICE NOTESUSIC W▣RKSTATI▣NFirst EditionTABLE OF CONTENTS日次PageSPECIFICATIONS/仕樣8 PECIFICAT10N图44。仕样44:1¥4晚:指8/具1-9,9:学-9a-之4>04t/伊e15...
罗兰Roland-Jupiter-8-Service-Maunal维修服务手册
Zw1×目411491930115YG5B-872-17N131G11图JP-8 SERVICE NOTES7w1日(13149104220WSecond Editions1 de wwitch≤B02312RN(13150110Docember.1982HA1A39134351This Notes makes First Edition obso...
罗兰Roland-Juno-D-Service-Manual维修服务手册说明书含电器原理图
Sep.2004(Nov.2005)JUNO-D儿N▣-口SERVICE NOTESSYNTHESIZE7KEYa▣AR▣Issued by RJASecond EditionTABLE OF CONTENTSCAUTIONNARY NOTES.......BLOCK DIAGRAM 1....8SPECIFICATIONS..........CI...
罗兰Roland-Juno-60-Service-Manual维修服务手册说明书含电器原理图
Ait10.1983JUNO-60JUNO-60SERVICE NOTESFirst EditionSPECIFICATIONSKryboird61 keyl,5ectavesHear PandlDutpat LeeelVCFRESONANCE(0-Self(L:-30cm/M:-15dflm/:DdllmKEY Falow0-100%1AlPEGGID C...
罗兰Roland-Juno-6-Schematic电器原理图
MAY.20,1982JU-6JU-6SERVICE NOTESFirst EditionSPECIFICATIONSKeyboard:61 Keys (5 octaves)C2-C7Arpeggio:Rate (1.5Hz-50Hz)VCF:Cutoff frequency (4Hz-40kHz)Bender control range:DCO (+7 k...
罗兰Roland-Juno-106-Owners-Manual操作说明书手册
RolandPROGRAMMABLE POLYPHONIC SYNTHESIZERJUNO-O6OWNER'S MANUALJUNO-106The Roland Juno-106 is 61 Key,six voicefully programmable polyphonic synth-esizer..The digitally controlled os...
罗兰Roland-JU-6-(Juno-6)-Service-Manual维修服务手册说明书含电器原理图
MAY.20,1982JU-6JU-6SERVICE NOTESFirst EditionSPECIFICATIONSKeyboard:61 Keys (5 octaves)C2-C7Arpeggio:Rate (1.5Hz-50Hz)VCF:Cutoff frequency(4Hz-40kHz)Bender control range:DCO (+7 ke...
罗兰Roland-JU-2-(Juno-2)-Service-Manual维修服务手册说明书含电器原理图
JAN.1986JU.2儿U-2DISASSEMBLY PROCEDURES/分解手順SERVICE NOTESXJUN▣-2First EditionSPECIFICATIONSLFOTIM 0P344KEYOOARDP TIGHT SCRENOTE:For methods of KEYBOARD and MAIN BOARDCUTPUT825...
罗兰Roland-JU-1-(Juno-1)–HS-10-Service-Manual维修服务手册说明书含电器原理图
DEC.1985JU-1.HS-10JU-1/HS-1▣DISASSEMBLY PROCEDURES/分解手m(QJUNO-1)SERVICE NOTES”年来中中小快公·First EditionSPECIFICATIONS贺光情行.edeP呼KY的AHD特H,4cc线C出LFO4里0c8经y TIVE8OU...
罗兰Roland-JSQ-60-Service-Manual维修服务手册说明书含电器原理图
MAY1,1984J5060JSQ-6O SERVICE NOTESPARTS LISTFirst EditionCASEPOTENTIOMETERSPECIFICATIONS2221540013219299x161w20-C161MC22815415Chasala13299137wF801-104100K3trimetMemory Capecity Aop...
罗兰Roland-JP-8080-Module-Service-Manual维修服务手册说明书含电器原理图
山.1细JP-8080J尸-B▣B▣SERVICE NOTESSPECIFICATIONSSYNTHESIZE吊M▣▣ULEFirst EditionIssued by RJATABLE OF CONTENTSPageNIDENTIFYING THE VERSION NUMBER.-FACTORY RE生T=================...
罗兰Roland-JP-8000-Service-Manual维修服务手册说明书含电器原理图
Jan.1837JP-8000SERVICE NOTESSpecifications/仕横First EditionIssued by RJA●SOUND CENERATOR/着夏…Mm鱼鸣hw/量大青先言直TABLE OF CONTENTS日次Page2ans性Locstion al Contols…2/工7xExpl...
罗兰Roland-JP-8-(Jupiter-8)-Service-Manual维修服务手册说明书含电器原理图
OCT.10,1981 (1st Edition,Ist Printingl DEC.24,1982 (2nd Edition,1st PrintingJP-8s8-6位212N1315011a2w1t3149100220JP-8 SERVICE NOTESS时tMh5图B02312RM(131501171Second EditionCAN0N60 n...
罗兰Roland-JP-4-(Jupiter-4)-Service-Manual维修服务手册说明书含电器原理图
FEB.23.1981JP-4JP-4 SERVICE NOTESSecond Edittion8ra626r22:8o:9e59g2,F7raPor only Lert control unit renoval:3x6mnSPECIFICATIONSYe BCKEYBOARD”CONTROLLER44oewt线,Gsea相POHTAMSNTo cI...
罗兰Roland-JD-990-Module-Service-Manual维修服务手册说明书含电器原理图
MaF.1993JD-990▣-99▣SERVICE NOTESSPECIFICATIONS/仕樣First EditionSYNTHESIZE7M▣▣ULE7 Pur-1 BelVEI悬大风味究数TABLE OF CONTENTS目次Page0T布出方SPECIFICATIONS号7PANELEXPLODED VIEWB...
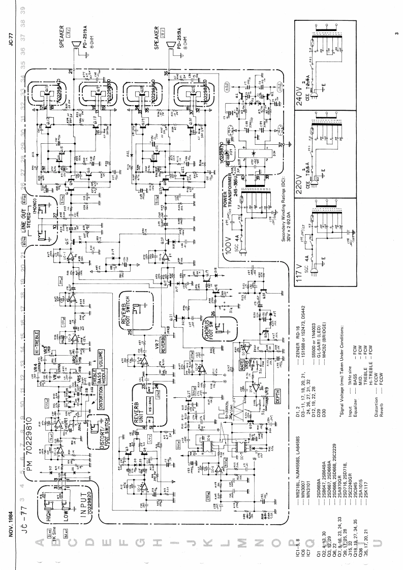
罗兰Roland-JC-77-Jazz-Chorus-(11-84)-Schematic电器原理图
5目53(ONOH]AOOL图5年PUU0331900g19535下K!有销工c8681202
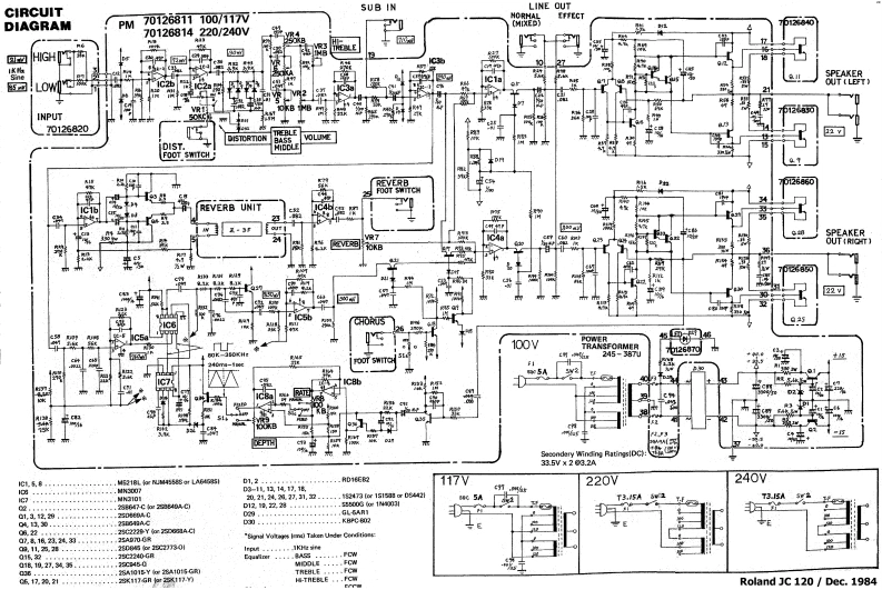
罗兰Roland-JC-77–JC-120H-Jazz-Chorus-(12-84)-Schematic电器原理图
CIRCUITSUB INLINE OUTHORHALEFFECTDIAGRAMPM70126811100/117VMED70126814220/240V而E十园回☑HIGH13K名SineSPEAKERCUT L LEFT)INPUT70126820DISTCRTONVOLUMEDIST.HICCLFOOT S清TCHREVERBF00TTC...
罗兰Roland-JC-60–JC-60A-Jazz-Chorus-(3-79)-Service-Manual维修服务手册说明书含电器原理图
Mar.31,1979 (Fint Primingl MAR.20,1983 second PrintieslJC-60A R&PJC-60 JC-60ARPARTS COYNON to TNO MODELS are shown only once rother thanSERVICE NOTES囹being ahow in each photograph...
罗兰Roland-JC-55-Jazz-Chorus-(Ed.1)-Service-Manual维修服务手册说明书含电器原理图
n41.1266北码JC-55SERVICE NOTESPARTS LISTFirst EditionCABINET车+EPF卡219判SPECIFICATIONS211033022319050-2522002hadge25W 25 ina B223+00000a#set Protectoc3-r-阳7于Line Oulput:C0nVm4H0...
罗兰Roland-JC-55–JC-77-Jazz-Chorus-Operation-Manual操作说明书手册
RolandGUITAR AMPLIFIERJAZZ CHORUSJ0-55J0-77OPERATION MANUALRolandPlease read the operation manual carefullyfor proper operation.(This is the picture of the JC-77)FEATURES.The Rolan...
罗兰Roland-JC-50-Jazz-Chorus-(Ed.2)-Service-Manual维修服务手册说明书含电器原理图
JAN.15,1983 (Second Edition.First Printing)Jc-50JC-50 SERVICE NOTESPARTS LISTPerk包h章ere the seme到hose ow early m器生.w出w厚中Second EditionOuly parr mmbe万chouz2101012402hn倍tAe...
罗兰Roland-JC-120UT–JT-Jazz-Chorus-(2000)-Service-Manual维修服务手册说明书含电器原理图
S单.2000JC.120UTATJC-OUT/JT SERVICE NOTESSPECIFICATIONSSecond Edition.Rated PowerOuput .......-.120 W(60W8 chm+80 W8ohmJAZZ CH▣7US.Noninal ineu Levd..........:-30dBu (0dBu 0.775Vm...
罗兰Roland-JC-120E-Jazz-Chorus-Owners-Manual操作说明书手册
RolandSUITA品A√PI=IEaJAZZ CHORUS-1己▣Owner's Manual
罗兰Roland-JC-120-Jazz-Chorus-(82)-Schematic电器原理图
CH-R2GH啊TREVR4 BASSVR3 MIDCH-24RTH四R3R5DI8四REV.品DIST(B)3N2 A-C:VIA./CHORUSI-atSecondary Winding Ratings(DC)37V x 2 22.5A 3300uF INPUTH-1CH-201.3.5:2sK117-GnD3:RD-30E4Q13,5.6,16...
罗兰Roland-JC-120-Jazz-Chorus-(2-79)-Schematic电器原理图
Feb.1,19790424本052A-2A九50CH-l240.9CH-2 PRE A POWERAMP BOARD AP-44C102402A-722A9TA-CH-2tRU/O9MSw2-(D:5辆9.R252C6TA-1200P3BfB阳FOOT SWR45R102Primary voltage:*10117,220,240Vsee next...











-Keyboard-Amp-Service-Manual维修服务手册说明书含电器原理图-5ea231a44f-pdf-1.webp)






















-Service-Manual维修服务手册说明书含电器原理图-de1903c2aa-pdf-1.webp)
-Service-Manual维修服务手册说明书含电器原理图-8949aafec8-pdf-1.webp)
--HS-10-Service-Manual维修服务手册说明书含电器原理图-fe5cd2b071-pdf-1.webp)



-Service-Manual维修服务手册说明书含电器原理图-718a9c041a-pdf-1.webp)
-Service-Manual维修服务手册说明书含电器原理图-5fb4611393-pdf-1.webp)

-Schematic电器原理图-d825f17040-pdf-1.webp)
-Schematic电器原理图-5039cb3d6e-pdf-1.webp)
-Service-Manual维修服务手册说明书含电器原理图-db6433e086-pdf-1.webp)
-Service-Manual维修服务手册说明书含电器原理图-4da6e07ebb-pdf-1.webp)

-Service-Manual维修服务手册说明书含电器原理图-f3ed3b4740-pdf-1.webp)
-Service-Manual维修服务手册说明书含电器原理图-3c131bcc64-pdf-1.webp)

-Schematic电器原理图-eda648e405-pdf-1.webp)
-Schematic电器原理图-a6c653e250-pdf-1.webp)
